[ƒqƒƒXƒMƒlƒbƒg]@ƒXƒy[ƒT[Eƒsƒ“ƒwƒbƒ_[EƒƒbƒVƒƒ[‚Ȃǂ̊î”ÂŽæ•t•”•i‚â‹@\•”•i‚̒ʔ̃TƒCƒg
‚¨”ƒ‚¢•¨ƒKƒCƒh
‚²—˜—p‚ɂ‚¢‚Ä
ƒz[ƒ€
ƒ}ƒCƒy[ƒW
”ƒ‚¢•¨‚©‚²
ƒ[ƒ‹ƒjƒ…[ƒX
ƒNƒCƒbƒNƒI[ƒ_[
‚¨–â‚¢‡‚킹
‚悤‚±‚» ƒQƒXƒg —l
Œ`ó‚©‚ç’T‚·
‹à‘®ƒXƒy[ƒT[
Ž÷މƒXƒy[ƒT[
ƒsƒ“ƒwƒbƒ_[
’[Žq—Þ
ƒCƒ“ƒT[ƒgƒiƒbƒg
ƒ[ƒŒƒbƒgƒcƒ}ƒ~
ƒ[ƒŒƒbƒgƒiƒbƒg
ƒVƒƒƒtƒg/‘SƒlƒW/‚΂˃|ƒXƒg
ƒƒbƒVƒƒ[
•½ƒƒbƒVƒƒ[iŽ÷މEƒZƒ‰ƒ~ƒbƒNƒXj
ƒWƒ…ƒ‰ƒRƒ“i”’j
ƒWƒ…ƒ‰ƒRƒ“i•j
“àŒa(`ƒ³3j
“àŒa(ƒ³3.1`ƒ³4j
“àŒa(ƒ³4.1`ƒ³5j
“àŒa(ƒ³5.1`ƒ³6j
“àŒa(ƒ³6.1`ƒ³8j
“àŒa(ƒ³8.1`ƒ³10j
“àŒa(ƒ³10.1`ƒ³12j
“àŒa(ƒ³12.1`ƒ³13j
“àŒa(ƒ³13.1`ƒ³17j
“àŒa(ƒ³17.1`ƒ³20j
“àŒa(ƒ³20.1`j
PTFE
’áƒNƒŠ[ƒv
ƒiƒCƒƒ“i”’j
ƒiƒCƒƒ“i•j
ƒtƒ@ƒCƒo[iÔj
ƒtƒ@ƒCƒo[i”’j
ƒ|ƒŠƒXƒ‰ƒCƒ_[
ƒ|ƒŠƒXƒ‰ƒCƒ_[(ƒJƒbƒg)
ƒŒƒj[
ƒŒƒj[i•j
ƒ|ƒŠƒJ[ƒ{ƒl[ƒg
ƒ|ƒŠƒvƒƒsƒŒƒ“
ƒx[ƒN
ƒs[ƒN
ƒVƒŠƒRƒ“
ƒJƒvƒgƒ“
PPS
ƒZƒ‰ƒ~ƒbƒNƒX
ƒKƒ‰ƒGƒ|
PVDF
ƒ‹ƒ~ƒ‰[i”¼“§–¾j
ƒ‹ƒ~ƒ‰[iÔj
ƒ‹ƒ~ƒ‰[iÂj
ƒ|ƒŠ‰–‰»ƒrƒjƒ‹(ŠDFj
ƒ|ƒŠ‰–‰»ƒrƒjƒ‹(“§–¾j
MCƒiƒCƒƒ“
ÕŒ‚‹zŽûƒiƒCƒƒ“ƒƒbƒVƒƒ[
ƒ|ƒŠƒGƒ`ƒŒƒ“ƒƒbƒVƒƒ[
•½ƒƒbƒVƒƒ[i‹à‘®j
ƒXƒvƒŠƒ“ƒOƒƒbƒVƒƒ[
Ž÷މƒZƒbƒgƒƒbƒVƒƒ[
ƒƒ[ƒbƒgƒƒbƒVƒƒ[
ƒSƒ€ƒƒbƒVƒƒ[
ƒSƒ€ƒZƒbƒgƒƒbƒVƒƒ[
ƒuƒbƒVƒ…
‚Ë‚¶
ƒ{ƒ‹ƒg
ƒiƒbƒg
ƒŠƒxƒbƒg
ÞŽ¿‚©‚ç’T‚·
‰©“º
ƒŠƒ““º
ƒXƒ`[ƒ‹
ƒXƒeƒ“ƒŒƒX
ƒAƒ‹ƒ~
‰”ƒŒƒX‰©“º
ƒ`ƒ^ƒ“
ƒWƒ…ƒ‰ƒRƒ“
PBT
PPS
PEEK
ƒiƒCƒƒ“
ƒŒƒj[
PTFE
ƒx[ƒN
ABS
ƒZƒ‰ƒ~ƒbƒNƒX
ƒKƒ‰ƒX
ƒKƒ‰ƒGƒ|
PCT
LCP
ƒGƒ‰ƒXƒgƒ}[
ƒVƒŠƒRƒ“
PC
ƒtƒ@ƒCƒo[
ƒ|ƒŠƒXƒ‰ƒCƒ_[
ƒ|ƒŠƒvƒƒsƒŒƒ“
ƒJƒvƒgƒ“
PVDF
ƒ‹ƒ~ƒ‰[
PFA
PVC
PFA
ƒSƒ€
ÕŒ‚‹zŽûƒiƒCƒƒ“
ƒ|ƒŠƒGƒ`ƒŒƒ“
‚»‚Ì‘¼
ƒz[ƒ€
>
ƒƒbƒVƒƒ[
>
•½ƒƒbƒVƒƒ[iŽ÷މEƒZƒ‰ƒ~ƒbƒNƒXj
>
ƒWƒ…ƒ‰ƒRƒ“i•j
>
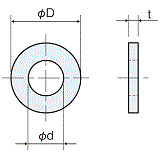
“àŒa(ƒ³13.1`ƒ³17j
•ƒWƒ…ƒ‰ƒRƒ“ƒƒbƒVƒƒ[^CC-0000-00B
ÞŽ¿^ƒWƒ…ƒ‰ƒRƒ“iPOMj
F^•
”M•ÏŒ`‰·“x^1.82MPaEEE110Ž
UL‹KŠi^UL94-HBiÞ—¿j
RoHS2‘Ήž»•i
•À‚בւ¦F
¤•iƒR[ƒh
¤•i–¼
””„“ú
‰¿Ši(ˆÀ‚¢‡)
‰¿Ši(‚‚¢‡)
””„“ú{¤•i–¼
69
Œ‚ ‚è‚Ü‚·
F
1
2
3
4
ŽŸ
ÅŒã
•i”Ô
d
D
t
“ü”/’P‰¿
(Å”²)
”Ì”„‰¿Ši
(Å”²)
”Ì”„‰¿Ši
(Åž)
”—Ê
CC-1424-02B
14.1
24
0.2
20ŒÂ/—36
720
792
50ŒÂ/—18
900
990
500ŒÂ/—17
8,500
9,350
CC-1424-025B
14.1
24
0.25
20ŒÂ/—36
720
792
50ŒÂ/—18
900
990
500ŒÂ/—17
8,500
9,350
CC-1424-03B
14.1
24
0.3
20ŒÂ/—36
720
792
50ŒÂ/—18
900
990
500ŒÂ/—17
8,500
9,350
CC-1424-035B
14.1
24
0.35
20ŒÂ/—36
720
792
50ŒÂ/—18
900
990
500ŒÂ/—17
8,500
9,350
CC-1424-04B
14.1
24
0.4
20ŒÂ/—38
760
836
50ŒÂ/—19
950
1,045
500ŒÂ/—18
9,000
9,900
CC-1424-05B
14.1
24
0.5
20ŒÂ/—42
840
924
50ŒÂ/—21
1,050
1,155
500ŒÂ/—20
10,000
11,000
CC-1424-06B
14.1
24
0.6
20ŒÂ/—42
840
924
50ŒÂ/—21
1,050
1,155
500ŒÂ/—20
10,000
11,000
CC-1424-07B
14.1
24
0.7
20ŒÂ/—42
840
924
50ŒÂ/—21
1,050
1,155
500ŒÂ/—20
10,000
11,000
CC-1424-08B
14.1
24
0.8
20ŒÂ/—48
960
1,056
50ŒÂ/—24
1,200
1,320
500ŒÂ/—23
11,500
12,650
CC-1424-09B
14.1
24
0.9
20ŒÂ/—48
960
1,056
50ŒÂ/—24
1,200
1,320
500ŒÂ/—23
11,500
12,650
CC-1424-10B
14.1
24
1
20ŒÂ/—50
1,000
1,100
50ŒÂ/—25
1,250
1,375
500ŒÂ/—24
12,000
13,200
CC-1424-16B
14.1
24
1.6
20ŒÂ/—110
2,200
2,420
50ŒÂ/—55
2,750
3,025
500ŒÂ/—54
27,000
29,700
CC-1424-20B
14.1
24
2
20ŒÂ/—112
2,240
2,464
50ŒÂ/—56
2,800
3,080
500ŒÂ/—55
27,500
30,250
CC-1424-25B
14.1
24
2.5
20ŒÂ/—114
2,280
2,508
50ŒÂ/—57
2,850
3,135
500ŒÂ/—56
28,000
30,800
CC-1424-30B
14.1
24
3
20ŒÂ/—116
2,320
2,552
50ŒÂ/—58
2,900
3,190
500ŒÂ/—57
28,500
31,350
CC-1424-35B
14.1
24
3.5
20ŒÂ/—122
2,440
2,684
50ŒÂ/—61
3,050
3,355
500ŒÂ/—60
30,000
33,000
CC-1424-40B
14.1
24
4
20ŒÂ/—124
2,480
2,728
50ŒÂ/—62
3,100
3,410
500ŒÂ/—61
30,500
33,550
CC-1424-45B
14.1
24
4.5
20ŒÂ/—128
2,560
2,816
50ŒÂ/—64
3,200
3,520
500ŒÂ/—63
31,500
34,650
CC-1424-50B
14.1
24
5
20ŒÂ/—128
2,560
2,816
50ŒÂ/—64
3,200
3,520
500ŒÂ/—63
31,500
34,650
CC-1520-02B
15
20
0.2
20ŒÂ/—34
680
748
50ŒÂ/—17
850
935
500ŒÂ/—16
8,000
8,800
69
Œ‚ ‚è‚Ü‚·
F
1
2
3
4
ŽŸ
ÅŒã