[ƒqƒƒXƒMƒlƒbƒg]@ƒXƒy[ƒT[Eƒsƒ“ƒwƒbƒ_[EƒƒbƒVƒƒ[‚Ȃǂ̊î”ÂŽæ•t•”•i‚â‹@\•”•i‚̒ʔ̃TƒCƒg
‚¨”ƒ‚¢•¨ƒKƒCƒh
‚²—˜—p‚ɂ‚¢‚Ä
ƒz[ƒ€
ƒ}ƒCƒy[ƒW
”ƒ‚¢•¨‚©‚²
ƒ[ƒ‹ƒjƒ…[ƒX
ƒNƒCƒbƒNƒI[ƒ_[
‚¨–â‚¢‡‚킹
‚悤‚±‚» ƒQƒXƒg —l
Œ`ó‚©‚ç’T‚·
‹à‘®ƒXƒy[ƒT[
Ž÷މƒXƒy[ƒT[
ƒsƒ“ƒwƒbƒ_[
’[Žq—Þ
ƒCƒ“ƒT[ƒgƒiƒbƒg
ƒ[ƒŒƒbƒgƒcƒ}ƒ~
ƒ[ƒŒƒbƒgƒiƒbƒg
ƒVƒƒƒtƒg/‘SƒlƒW/‚΂˃|ƒXƒg
ƒƒbƒVƒƒ[
ƒuƒbƒVƒ…
‚Ë‚¶
ƒ{ƒ‹ƒg
ƒiƒbƒg
ƒŠƒxƒbƒg
ÞŽ¿‚©‚ç’T‚·
‰©“º
ƒŠƒ““º
ƒXƒ`[ƒ‹
ƒXƒeƒ“ƒŒƒX
ƒAƒ‹ƒ~
‰”ƒŒƒX‰©“º
ƒ`ƒ^ƒ“
ƒWƒ…ƒ‰ƒRƒ“
PBT
PPS
PEEK
ƒiƒCƒƒ“
ƒŒƒj[
PTFE
ƒXƒy[ƒT[i—¼ƒƒlƒWj
ŠÛŒ^
M3
M4
M5
ƒXƒy[ƒT[i’†‹ój
“ÁŽêƒXƒy[ƒT[
ƒƒbƒVƒƒ[
ƒuƒbƒVƒ…
ƒlƒW
ƒ{ƒ‹ƒg
ƒiƒbƒg
ƒx[ƒN
ABS
ƒZƒ‰ƒ~ƒbƒNƒX
ƒKƒ‰ƒX
ƒKƒ‰ƒGƒ|
PCT
LCP
ƒGƒ‰ƒXƒgƒ}[
ƒVƒŠƒRƒ“
PC
ƒtƒ@ƒCƒo[
ƒ|ƒŠƒXƒ‰ƒCƒ_[
ƒ|ƒŠƒvƒƒsƒŒƒ“
ƒJƒvƒgƒ“
PVDF
ƒ‹ƒ~ƒ‰[
PFA
PVC
PFA
ƒSƒ€
ÕŒ‚‹zŽûƒiƒCƒƒ“
ƒ|ƒŠƒGƒ`ƒŒƒ“
‚»‚Ì‘¼
ƒz[ƒ€
>
PTFE
>
ƒXƒy[ƒT[i—¼ƒƒlƒWj
>
ŠÛŒ^
>
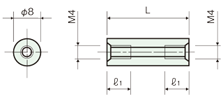
M4
M4
PTFEƒXƒy[ƒT[iŠÛŒ^j^ART-400
ÞŽ¿^PTFE
F^”’F•s“§–¾
‘Ï”M‰·“x^˜A‘±240Ž•s”R«
UL‹KŠi^UL94V-0iÞ—¿j
RoHS2‘Ήž»•i
L‚ÌŒö·@L=15–˜}0.1@L=16‚æ‚è}0.2
•À‚בւ¦F
¤•iƒR[ƒh
¤•i–¼
””„“ú
‰¿Ši(ˆÀ‚¢‡)
‰¿Ši(‚‚¢‡)
””„“ú{¤•i–¼
24
Œ‚ ‚è‚Ü‚·
F
1
2
ŽŸ
ÅŒã
•i”Ô
L
‚Œ1
“ü”/’P‰¿
(Å”²)
”Ì”„‰¿Ši
(Å”²)
”Ì”„‰¿Ši
(Åž)
”—Ê
ART-405
5
‘SƒlƒW
2ŒÂ/—320
640
704
10ŒÂ/—160
1,600
1,760
100ŒÂ/—159
15,900
17,490
ART-406
6
‘SƒlƒW
2ŒÂ/—324
648
713
10ŒÂ/—162
1,620
1,782
100ŒÂ/—161
16,100
17,710
ART-407
7
‘SƒlƒW
2ŒÂ/—328
656
722
10ŒÂ/—164
1,640
1,804
100ŒÂ/—163
16,300
17,930
ART-408
8
‘SƒlƒW
2ŒÂ/—332
664
730
10ŒÂ/—166
1,660
1,826
100ŒÂ/—165
16,500
18,150
ART-409
9
‘SƒlƒW
2ŒÂ/—336
672
739
10ŒÂ/—168
1,680
1,848
100ŒÂ/—167
16,700
18,370
ART-410
10
‘SƒlƒW
2ŒÂ/—340
680
748
10ŒÂ/—170
1,700
1,870
100ŒÂ/—169
16,900
18,590
ART-411
11
‘SƒlƒW
2ŒÂ/—346
692
761
10ŒÂ/—173
1,730
1,903
100ŒÂ/—172
17,200
18,920
ART-412
12
‘SƒlƒW
2ŒÂ/—352
704
774
10ŒÂ/—176
1,760
1,936
100ŒÂ/—175
17,500
19,250
ART-413
13
‘SƒlƒW
2ŒÂ/—358
716
788
10ŒÂ/—179
1,790
1,969
100ŒÂ/—178
17,800
19,580
ART-414
14
‘SƒlƒW
2ŒÂ/—364
728
801
10ŒÂ/—182
1,820
2,002
100ŒÂ/—181
18,100
19,910
ART-415
15
‘SƒlƒW
2ŒÂ/—364
728
801
10ŒÂ/—182
1,820
2,002
100ŒÂ/—181
18,100
19,910
ART-416
16
‘SƒlƒW
2ŒÂ/—396
792
871
10ŒÂ/—198
1,980
2,178
100ŒÂ/—197
19,700
21,670
ART-417
17
‘SƒlƒW
2ŒÂ/—428
856
942
10ŒÂ/—214
2,140
2,354
100ŒÂ/—213
21,300
23,430
ART-418
18
‘SƒlƒW
2ŒÂ/—460
920
1,012
10ŒÂ/—230
2,300
2,530
100ŒÂ/—229
22,900
25,190
ART-419
19
‘SƒlƒW
2ŒÂ/—492
984
1,082
10ŒÂ/—246
2,460
2,706
100ŒÂ/—245
24,500
26,950
ART-420
20
‘SƒlƒW
2ŒÂ/—520
1,040
1,144
10ŒÂ/—260
2,600
2,860
100ŒÂ/—259
25,900
28,490
ART-425
25
‘SƒlƒW
2ŒÂ/—610
1,220
1,342
10ŒÂ/—305
3,050
3,355
100ŒÂ/—304
30,400
33,440
ART-430
30
‘SƒlƒW
2ŒÂ/—660
1,320
1,452
10ŒÂ/—330
3,300
3,630
100ŒÂ/—329
32,900
36,190
ART-435
35
8
2ŒÂ/—720
1,440
1,584
10ŒÂ/—360
3,600
3,960
100ŒÂ/—359
35,900
39,490
ART-440
40
8
2ŒÂ/—790
1,580
1,738
10ŒÂ/—395
3,950
4,345
100ŒÂ/—394
39,400
43,340
24
Œ‚ ‚è‚Ü‚·
F
1
2
ŽŸ
ÅŒã