[ƒqƒƒXƒMƒlƒbƒg]@ƒXƒy[ƒT[Eƒsƒ“ƒwƒbƒ_[EƒƒbƒVƒƒ[‚Ȃǂ̊î”ÂŽæ•t•”•i‚â‹@\•”•i‚̒ʔ̃TƒCƒg
‚¨”ƒ‚¢•¨ƒKƒCƒh
‚²—˜—p‚ɂ‚¢‚Ä
ƒz[ƒ€
ƒ}ƒCƒy[ƒW
”ƒ‚¢•¨‚©‚²
ƒ[ƒ‹ƒjƒ…[ƒX
ƒNƒCƒbƒNƒI[ƒ_[
‚¨–â‚¢‡‚킹
‚悤‚±‚» ƒQƒXƒg —l
Œ`ó‚©‚ç’T‚·
‹à‘®ƒXƒy[ƒT[
Ž÷މƒXƒy[ƒT[
ƒsƒ“ƒwƒbƒ_[
’[Žq—Þ
ƒCƒ“ƒT[ƒgƒiƒbƒg
ƒ[ƒŒƒbƒgƒcƒ}ƒ~
ƒ[ƒŒƒbƒgƒiƒbƒg
ƒVƒƒƒtƒg/‘SƒlƒW/‚΂˃|ƒXƒg
ƒƒbƒVƒƒ[
ƒuƒbƒVƒ…
‚Ë‚¶
ƒ{ƒ‹ƒg
ƒiƒbƒg
ƒŠƒxƒbƒg
ÞŽ¿‚©‚ç’T‚·
‰©“º
ƒŠƒ““º
ƒXƒ`[ƒ‹
ƒXƒeƒ“ƒŒƒX
ƒXƒy[ƒT[i—¼ƒƒlƒWj
ƒXƒy[ƒT[iƒIƒlƒWEƒƒlƒWj
˜ZŠp/SUS303
˜ZŠp/SUS303 “¦‚°ƒ~ƒ]•tEƒoƒŠ‹zŽû
˜ZŠp/SUS303@ˆáŒa
˜ZŠp/SUS303@’ZŠÔ’id‚Ë—p
˜ZŠp/SUS303 ƒIƒlƒWƒƒ“ƒO
M3/ƒIƒlƒW8ƒ~ƒŠ
M3/ƒIƒlƒW10ƒ~ƒŠ
M4/ƒIƒlƒW10ƒ~ƒŠ
M5/ƒIƒlƒW13ƒ~ƒŠ
M6/ƒIƒlƒW15ƒ~ƒŠ
M8/ƒIƒlƒW20ƒ~ƒŠ
˜ZŠpƒIƒlƒWƒƒlƒW@”–”ÂŽæ•t—p
˜ZŠp/SUS303@ƒƒlƒW‘¤ŽMƒlƒW—p
˜ZŠp/SUS303@SW{PW‘gž
˜ZŠp/SUS304
˜ZŠp/SUS316
˜ZŠp/D-SUBŽæ•t—p
ŠÛŒ^/SUS303
ŠÛŒ^/SUS303@ƒXƒŠŠ„•t
ŠÛŒ^/SUS303@ƒXƒŠŠ„•t ƒ‚ƒŠƒuƒfƒ“
ƒ^ƒbƒsƒ“ƒXƒy[ƒT[
ƒXƒy[ƒT[i—¼ƒIƒlƒWj
ƒXƒy[ƒT[i’†‹ój
ƒXƒy[ƒT[iŠªƒpƒCƒvj
ƒƒbƒVƒƒ[
ƒiƒx¬ƒlƒW
ƒZƒbƒgƒiƒx¬ƒlƒWiƒƒbƒVƒƒ[1–‡j
ƒZƒbƒgƒiƒx¬ƒlƒWiƒƒbƒVƒƒ[2–‡j
ƒZƒbƒgƒiƒx¬ƒlƒWiƒƒbƒVƒƒ[3–‡j
ŽM¬ƒlƒW
˜ZŠpŒŠ•tƒ{ƒ‹ƒg
ƒuƒbƒVƒ…
ƒiƒbƒg
‘SƒlƒW
—¼’[ƒlƒW
ƒCƒ“ƒT[ƒgƒiƒbƒg
¸–§ƒVƒƒƒtƒg
‚΂˃|ƒXƒg
ƒŠƒxƒbƒg
“ÁŽêƒXƒy[ƒT[
Ž~‚߃lƒW
ƒAƒ‹ƒ~
‰”ƒŒƒX‰©“º
ƒ`ƒ^ƒ“
ƒWƒ…ƒ‰ƒRƒ“
PBT
PPS
PEEK
ƒiƒCƒƒ“
ƒŒƒj[
PTFE
ƒx[ƒN
ABS
ƒZƒ‰ƒ~ƒbƒNƒX
ƒKƒ‰ƒX
ƒKƒ‰ƒGƒ|
PCT
LCP
ƒGƒ‰ƒXƒgƒ}[
ƒVƒŠƒRƒ“
PC
ƒtƒ@ƒCƒo[
ƒ|ƒŠƒXƒ‰ƒCƒ_[
ƒ|ƒŠƒvƒƒsƒŒƒ“
ƒJƒvƒgƒ“
PVDF
ƒ‹ƒ~ƒ‰[
PFA
PVC
PFA
ƒSƒ€
ÕŒ‚‹zŽûƒiƒCƒƒ“
ƒ|ƒŠƒGƒ`ƒŒƒ“
‚»‚Ì‘¼
ƒz[ƒ€
>
ƒXƒeƒ“ƒŒƒX
>
ƒXƒy[ƒT[iƒIƒlƒWEƒƒlƒWj
>
˜ZŠp/SUS303 ƒIƒlƒWƒƒ“ƒO
>
M3/ƒIƒlƒW8ƒ~ƒŠ
M3/ƒIƒlƒW8ƒ~ƒŠ
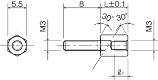
ƒXƒeƒ“ƒŒƒXƒXƒy[ƒT[i˜ZŠpj^LSU-300-08
ÞŽ¿^‰õíƒXƒeƒ“ƒŒƒX|iSUS303j
ˆ—^’Eމ
RoHS2‘Ήž»•i
•À‚בւ¦F
¤•iƒR[ƒh
¤•i–¼
””„“ú
‰¿Ši(ˆÀ‚¢‡)
‰¿Ši(‚‚¢‡)
””„“ú{¤•i–¼
66
Œ‚ ‚è‚Ü‚·
F
1
2
3
4
ŽŸ
ÅŒã
•i”Ô
L
‚Œ1
“ü”/’P‰¿
(Å”²)
”Ì”„‰¿Ši
(Å”²)
”Ì”„‰¿Ši
(Åž)
”—Ê
LSU-304-08
4
2
20ŒÂ/—136
2,720
2,992
50ŒÂ/—68
3,400
3,740
500ŒÂ/—67
33,500
36,850
LSU-304.5-08
4.5
2.5
20ŒÂ/—136
2,720
2,992
50ŒÂ/—68
3,400
3,740
500ŒÂ/—67
33,500
36,850
LSU-305-08
5
3
20ŒÂ/—136
2,720
2,992
50ŒÂ/—68
3,400
3,740
500ŒÂ/—67
33,500
36,850
LSU-305.5-08
5.5
3.5
20ŒÂ/—136
2,720
2,992
50ŒÂ/—68
3,400
3,740
500ŒÂ/—67
33,500
36,850
LSU-306-08
6
4
20ŒÂ/—136
2,720
2,992
50ŒÂ/—68
3,400
3,740
500ŒÂ/—67
33,500
36,850
LSU-306.5-08
6.5
4.5
20ŒÂ/—136
2,720
2,992
50ŒÂ/—68
3,400
3,740
500ŒÂ/—67
33,500
36,850
LSU-307-08
7
5
20ŒÂ/—136
2,720
2,992
50ŒÂ/—68
3,400
3,740
500ŒÂ/—67
33,500
36,850
LSU-307.5-08
7.5
5.5
20ŒÂ/—136
2,720
2,992
50ŒÂ/—68
3,400
3,740
500ŒÂ/—67
33,500
36,850
LSU-308-08
8
6
20ŒÂ/—126
2,520
2,772
50ŒÂ/—63
3,150
3,465
500ŒÂ/—62
31,000
34,100
LSU-308.5-08
8.5
6
20ŒÂ/—136
2,720
2,992
50ŒÂ/—68
3,400
3,740
500ŒÂ/—67
33,500
36,850
LSU-309-08
9
6
20ŒÂ/—136
2,720
2,992
50ŒÂ/—68
3,400
3,740
500ŒÂ/—67
33,500
36,850
LSU-309.5-08
9.5
6
20ŒÂ/—136
2,720
2,992
50ŒÂ/—68
3,400
3,740
500ŒÂ/—67
33,500
36,850
LSU-310-08
10
6
20ŒÂ/—126
2,520
2,772
50ŒÂ/—63
3,150
3,465
500ŒÂ/—62
31,000
34,100
LSU-311-08
11
6
20ŒÂ/—148
2,960
3,256
50ŒÂ/—74
3,700
4,070
500ŒÂ/—73
36,500
40,150
LSU-312-08
12
6
20ŒÂ/—148
2,960
3,256
50ŒÂ/—74
3,700
4,070
500ŒÂ/—73
36,500
40,150
LSU-312.5-08
12.5
6
20ŒÂ/—158
3,160
3,476
50ŒÂ/—79
3,950
4,345
500ŒÂ/—78
39,000
42,900
LSU-313-08
13
6
20ŒÂ/—158
3,160
3,476
50ŒÂ/—79
3,950
4,345
500ŒÂ/—78
39,000
42,900
LSU-314-08
14
6
20ŒÂ/—158
3,160
3,476
50ŒÂ/—79
3,950
4,345
500ŒÂ/—78
39,000
42,900
LSU-315-08
15
6
20ŒÂ/—154
3,080
3,388
50ŒÂ/—77
3,850
4,235
500ŒÂ/—76
38,000
41,800
LSU-316-08
16
6
20ŒÂ/—170
3,400
3,740
50ŒÂ/—85
4,250
4,675
500ŒÂ/—84
42,000
46,200
66
Œ‚ ‚è‚Ü‚·
F
1
2
3
4
ŽŸ
ÅŒã