[ƒqƒƒXƒMƒlƒbƒg]@ƒXƒy[ƒT[Eƒsƒ“ƒwƒbƒ_[EƒƒbƒVƒƒ[‚Ȃǂ̊î”ÂŽæ•t•”•i‚â‹@\•”•i‚̒ʔ̃TƒCƒg
‚¨”ƒ‚¢•¨ƒKƒCƒh
‚²—˜—p‚ɂ‚¢‚Ä
ƒz[ƒ€
ƒ}ƒCƒy[ƒW
”ƒ‚¢•¨‚©‚²
ƒ[ƒ‹ƒjƒ…[ƒX
ƒNƒCƒbƒNƒI[ƒ_[
‚¨–â‚¢‡‚킹
‚悤‚±‚» ƒQƒXƒg —l
Œ`ó‚©‚ç’T‚·
‹à‘®ƒXƒy[ƒT[
Ž÷މƒXƒy[ƒT[
ƒsƒ“ƒwƒbƒ_[
’[Žq—Þ
ƒCƒ“ƒT[ƒgƒiƒbƒg
ƒ[ƒŒƒbƒgƒcƒ}ƒ~
ƒ[ƒŒƒbƒgƒiƒbƒg
ƒVƒƒƒtƒg/‘SƒlƒW/‚΂˃|ƒXƒg
ƒƒbƒVƒƒ[
ƒuƒbƒVƒ…
‚Ë‚¶
ƒ{ƒ‹ƒg
ƒiƒbƒg
ƒŠƒxƒbƒg
ÞŽ¿‚©‚ç’T‚·
‰©“º
ƒŠƒ““º
ƒXƒ`[ƒ‹
ƒXƒeƒ“ƒŒƒX
ƒXƒy[ƒT[i—¼ƒƒlƒWj
˜ZŠp/SUS303
M1.7
M2
M2.5
M2.6
M3
M3i•½Œa5j
M3i•½Œa6j
M4
M4(•½Œa6j
M5
M6
M8
˜ZŠp/SUS303@ƒ‚ƒŠƒuƒfƒ“
˜ZŠp/SUS303(ŽMƒlƒW—p)
˜ZŠp/SUS304
˜ZŠp/SUS316
ŠÛŒ^/SUS303
ŠÛŒ^/SUS303 ƒ‚ƒŠƒuƒfƒ“
ŠÛŒ^/SUS303@ƒXƒŠŠ„•t
ŠÛŒ^/SUS303 @ƒXƒŠŠ„•t ƒ‚ƒŠƒuƒfƒ“
ƒXƒy[ƒT[iƒIƒlƒWEƒƒlƒWj
ƒXƒy[ƒT[i—¼ƒIƒlƒWj
ƒXƒy[ƒT[i’†‹ój
ƒXƒy[ƒT[iŠªƒpƒCƒvj
ƒƒbƒVƒƒ[
ƒiƒx¬ƒlƒW
ƒZƒbƒgƒiƒx¬ƒlƒWiƒƒbƒVƒƒ[1–‡j
ƒZƒbƒgƒiƒx¬ƒlƒWiƒƒbƒVƒƒ[2–‡j
ƒZƒbƒgƒiƒx¬ƒlƒWiƒƒbƒVƒƒ[3–‡j
ŽM¬ƒlƒW
˜ZŠpŒŠ•tƒ{ƒ‹ƒg
ƒuƒbƒVƒ…
ƒiƒbƒg
‘SƒlƒW
—¼’[ƒlƒW
ƒCƒ“ƒT[ƒgƒiƒbƒg
¸–§ƒVƒƒƒtƒg
‚΂˃|ƒXƒg
ƒŠƒxƒbƒg
“ÁŽêƒXƒy[ƒT[
Ž~‚߃lƒW
ƒAƒ‹ƒ~
‰”ƒŒƒX‰©“º
ƒ`ƒ^ƒ“
ƒWƒ…ƒ‰ƒRƒ“
PBT
PPS
PEEK
ƒiƒCƒƒ“
ƒŒƒj[
PTFE
ƒx[ƒN
ABS
ƒZƒ‰ƒ~ƒbƒNƒX
ƒKƒ‰ƒX
ƒKƒ‰ƒGƒ|
PCT
LCP
ƒGƒ‰ƒXƒgƒ}[
ƒVƒŠƒRƒ“
PC
ƒtƒ@ƒCƒo[
ƒ|ƒŠƒXƒ‰ƒCƒ_[
ƒ|ƒŠƒvƒƒsƒŒƒ“
ƒJƒvƒgƒ“
PVDF
ƒ‹ƒ~ƒ‰[
PFA
PVC
PFA
ƒSƒ€
ÕŒ‚‹zŽûƒiƒCƒƒ“
ƒ|ƒŠƒGƒ`ƒŒƒ“
‚»‚Ì‘¼
ƒz[ƒ€
>
ƒXƒeƒ“ƒŒƒX
>
ƒXƒy[ƒT[i—¼ƒƒlƒWj
>
˜ZŠp/SUS303
>
M2
M2
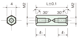
ƒXƒeƒ“ƒŒƒXƒXƒy[ƒT[i˜ZŠpj^ASU-2000
ÞŽ¿^‰õíƒXƒeƒ“ƒŒƒX|iSUS303j
ˆ—^’Eމ
RoHS2‘Ήž»•i
•À‚בւ¦F
¤•iƒR[ƒh
¤•i–¼
””„“ú
‰¿Ši(ˆÀ‚¢‡)
‰¿Ši(‚‚¢‡)
””„“ú{¤•i–¼
55
Œ‚ ‚è‚Ü‚·
F
1
2
3
ŽŸ
ÅŒã
•i”Ô
L
‚Œ1
“ü”/’P‰¿
(Å”²)
”Ì”„‰¿Ši
(Å”²)
”Ì”„‰¿Ši
(Åž)
”—Ê
ASU-2003
3
‘SƒlƒW
20ŒÂ/—142
2,840
3,124
50ŒÂ/—71
3,550
3,905
500ŒÂ/—70
35,000
38,500
ASU-2003.5
3.5
‘SƒlƒW
20ŒÂ/—142
2,840
3,124
50ŒÂ/—71
3,550
3,905
500ŒÂ/—70
35,000
38,500
ASU-2004
4
‘SƒlƒW
20ŒÂ/—142
2,840
3,124
50ŒÂ/—71
3,550
3,905
500ŒÂ/—70
35,000
38,500
ASU-2004.5
4.5
‘SƒlƒW
20ŒÂ/—142
2,840
3,124
50ŒÂ/—71
3,550
3,905
500ŒÂ/—70
35,000
38,500
ASU-2005
5
‘SƒlƒW
20ŒÂ/—142
2,840
3,124
50ŒÂ/—71
3,550
3,905
500ŒÂ/—70
35,000
38,500
ASU-2005.5
5.5
‘SƒlƒW
20ŒÂ/—142
2,840
3,124
50ŒÂ/—71
3,550
3,905
500ŒÂ/—70
35,000
38,500
ASU-2006
6
‘SƒlƒW
20ŒÂ/—142
2,840
3,124
50ŒÂ/—71
3,550
3,905
500ŒÂ/—70
35,000
38,500
ASU-2006.5
6.5
‘SƒlƒW
20ŒÂ/—142
2,840
3,124
50ŒÂ/—71
3,550
3,905
500ŒÂ/—70
35,000
38,500
ASU-2007
7
‘SƒlƒW
20ŒÂ/—142
2,840
3,124
50ŒÂ/—71
3,550
3,905
500ŒÂ/—70
35,000
38,500
ASU-2007.5
7.5
‘SƒlƒW
20ŒÂ/—142
2,840
3,124
50ŒÂ/—71
3,550
3,905
500ŒÂ/—70
35,000
38,500
ASU-2008
8
‘SƒlƒW
20ŒÂ/—142
2,840
3,124
50ŒÂ/—71
3,550
3,905
500ŒÂ/—70
35,000
38,500
ASU-2008.5
8.5
‘SƒlƒW
20ŒÂ/—142
2,840
3,124
50ŒÂ/—71
3,550
3,905
500ŒÂ/—70
35,000
38,500
ASU-2009
9
‘SƒlƒW
20ŒÂ/—152
3,040
3,344
50ŒÂ/—76
3,800
4,180
500ŒÂ/—75
37,500
41,250
ASU-2009.5
9.5
‘SƒlƒW
20ŒÂ/—152
3,040
3,344
50ŒÂ/—76
3,800
4,180
500ŒÂ/—75
37,500
41,250
ASU-2010
10
‘SƒlƒW
20ŒÂ/—152
3,040
3,344
50ŒÂ/—76
3,800
4,180
500ŒÂ/—75
37,500
41,250
ASU-2010.5
10.5
‘SƒlƒW
20ŒÂ/—152
3,040
3,344
50ŒÂ/—76
3,800
4,180
500ŒÂ/—75
37,500
41,250
ASU-2011
11
5
20ŒÂ/—152
3,040
3,344
50ŒÂ/—76
3,800
4,180
500ŒÂ/—75
37,500
41,250
ASU-2011.5
11.5
5
20ŒÂ/—152
3,040
3,344
50ŒÂ/—76
3,800
4,180
500ŒÂ/—75
37,500
41,250
ASU-2012
12
5
20ŒÂ/—152
3,040
3,344
50ŒÂ/—76
3,800
4,180
500ŒÂ/—75
37,500
41,250
ASU-2012.5
12.5
5
20ŒÂ/—152
3,040
3,344
50ŒÂ/—76
3,800
4,180
500ŒÂ/—75
37,500
41,250
55
Œ‚ ‚è‚Ü‚·
F
1
2
3
ŽŸ
ÅŒã