[ƒqƒƒXƒMƒlƒbƒg]@ƒXƒy[ƒT[Eƒsƒ“ƒwƒbƒ_[EƒƒbƒVƒƒ[‚Ȃǂ̊î”ÂŽæ•t•”•i‚â‹@\•”•i‚̒ʔ̃TƒCƒg
‚¨”ƒ‚¢•¨ƒKƒCƒh
‚²—˜—p‚ɂ‚¢‚Ä
ƒz[ƒ€
ƒ}ƒCƒy[ƒW
”ƒ‚¢•¨‚©‚²
ƒ[ƒ‹ƒjƒ…[ƒX
ƒNƒCƒbƒNƒI[ƒ_[
‚¨–â‚¢‡‚킹
‚悤‚±‚» ƒQƒXƒg —l
Œ`ó‚©‚ç’T‚·
‹à‘®ƒXƒy[ƒT[
Ž÷މƒXƒy[ƒT[
ƒsƒ“ƒwƒbƒ_[
’[Žq—Þ
ƒCƒ“ƒT[ƒgƒiƒbƒg
ƒ[ƒŒƒbƒgƒcƒ}ƒ~
ƒ[ƒŒƒbƒgƒiƒbƒg
ƒVƒƒƒtƒg/‘SƒlƒW/‚΂˃|ƒXƒg
ƒƒbƒVƒƒ[
ƒuƒbƒVƒ…
‚Ë‚¶
ƒ{ƒ‹ƒg
ƒiƒbƒg
ƒŠƒxƒbƒg
ÞŽ¿‚©‚ç’T‚·
‰©“º
ƒŠƒ““º
ƒXƒ`[ƒ‹
ƒXƒy[ƒT[i—¼ƒƒlƒWj
ƒXƒy[ƒT[iƒIƒlƒWEƒƒlƒWj
˜ZŠp@ŽO‰¿ƒNƒƒ€ƒNƒƒ[ƒg
˜ZŠp@Ni
˜ZŠpiƒ^ƒbƒsƒ“ƒlƒWƒ^ƒCƒvj
˜ZŠpiƒGƒA[ŒŠ•tj
˜ZŠp/ƒƒlƒW‘¤ŽMƒlƒW—p
˜ZŠp/’ZŠÔ’id‚Ë—p
˜ZŠp/ƒIƒlƒWƒƒ“ƒO
˜ZŠp/SW‘gž
˜ZŠp/SW{PW‘gž
ŠÛŒ^
ŠÛŒ^/ƒXƒŠŠ„
M3
M4
ƒXƒy[ƒT[i—¼ƒƒlƒWj
ƒXƒy[ƒT[i’†‹ój
ƒiƒx¬ƒlƒW
ƒZƒbƒgƒiƒx¬ƒlƒWiƒƒbƒVƒƒ[1–‡j
ƒZƒbƒgƒiƒx¬‚Ë‚¶iƒƒbƒVƒƒ[×2j
ƒZƒbƒgƒiƒx¬‚Ë‚¶iƒƒbƒVƒƒ[×3j
ŽM¬ƒlƒW
˜ZŠpŒŠ•tƒ{ƒ‹ƒg
“Sƒ^ƒbƒsƒ“ƒlƒW
ƒcƒo•t¬ƒlƒW
ƒƒbƒVƒƒ[
ƒuƒbƒVƒ…iØí‰ÁHj
ƒuƒbƒVƒ…
ƒiƒbƒg
ƒŠƒxƒbƒg
ƒXƒeƒ“ƒŒƒX
ƒAƒ‹ƒ~
‰”ƒŒƒX‰©“º
ƒ`ƒ^ƒ“
ƒWƒ…ƒ‰ƒRƒ“
PBT
PPS
PEEK
ƒiƒCƒƒ“
ƒŒƒj[
PTFE
ƒx[ƒN
ABS
ƒZƒ‰ƒ~ƒbƒNƒX
ƒKƒ‰ƒX
ƒKƒ‰ƒGƒ|
PCT
LCP
ƒGƒ‰ƒXƒgƒ}[
ƒVƒŠƒRƒ“
PC
ƒtƒ@ƒCƒo[
ƒ|ƒŠƒXƒ‰ƒCƒ_[
ƒ|ƒŠƒvƒƒsƒŒƒ“
ƒJƒvƒgƒ“
PVDF
ƒ‹ƒ~ƒ‰[
PFA
PVC
PFA
ƒSƒ€
ÕŒ‚‹zŽûƒiƒCƒƒ“
ƒ|ƒŠƒGƒ`ƒŒƒ“
‚»‚Ì‘¼
ƒz[ƒ€
>
ƒXƒ`[ƒ‹
>
ƒXƒy[ƒT[iƒIƒlƒWEƒƒlƒWj
>
ŠÛŒ^/ƒXƒŠŠ„
>
M4
M4
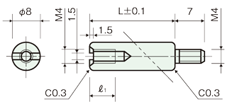
ƒXƒ`[ƒ‹ƒXƒy[ƒT[iŠÛŒ^j^BRF-400SE
ÞŽ¿^‰õí|iSUMj
ˆ—^ŽO‰¿ƒNƒƒ€ƒNƒƒ[ƒgˆ—
RoHS2‘Ήž»•i
•À‚בւ¦F
¤•iƒR[ƒh
¤•i–¼
””„“ú
‰¿Ši(ˆÀ‚¢‡)
‰¿Ši(‚‚¢‡)
””„“ú{¤•i–¼
31
Œ‚ ‚è‚Ü‚·
F
1
2
ŽŸ
ÅŒã
•i”Ô
L
‚Œ1
“ü”/’P‰¿
(Å”²)
”Ì”„‰¿Ši
(Å”²)
”Ì”„‰¿Ši
(Åž)
”—Ê
BRF-406SE
6
3.5
20ŒÂ/—102
2,040
2,244
50ŒÂ/—51
2,550
2,805
500ŒÂ/—50
25,000
27,500
BRF-407SE
7
4.5
20ŒÂ/—102
2,040
2,244
50ŒÂ/—51
2,550
2,805
500ŒÂ/—50
25,000
27,500
BRF-408SE
8
5.5
20ŒÂ/—102
2,040
2,244
50ŒÂ/—51
2,550
2,805
500ŒÂ/—50
25,000
27,500
BRF-409SE
9
6
20ŒÂ/—102
2,040
2,244
50ŒÂ/—51
2,550
2,805
500ŒÂ/—50
25,000
27,500
BRF-410SE
10
7.5
20ŒÂ/—112
2,240
2,464
50ŒÂ/—56
2,800
3,080
500ŒÂ/—55
27,500
30,250
BRF-411SE
11
7.5
20ŒÂ/—112
2,240
2,464
50ŒÂ/—56
2,800
3,080
500ŒÂ/—55
27,500
30,250
BRF-412SE
12
7.5
20ŒÂ/—112
2,240
2,464
50ŒÂ/—56
2,800
3,080
500ŒÂ/—55
27,500
30,250
BRF-413SE
13
7.5
20ŒÂ/—112
2,240
2,464
50ŒÂ/—56
2,800
3,080
500ŒÂ/—55
27,500
30,250
BRF-414SE
14
7.5
20ŒÂ/—112
2,240
2,464
50ŒÂ/—56
2,800
3,080
500ŒÂ/—55
27,500
30,250
BRF-415SE
15
7.5
20ŒÂ/—112
2,240
2,464
50ŒÂ/—56
2,800
3,080
500ŒÂ/—55
27,500
30,250
BRF-416SE
16
7.5
20ŒÂ/—112
2,240
2,464
50ŒÂ/—56
2,800
3,080
500ŒÂ/—55
27,500
30,250
BRF-417SE
17
7.5
20ŒÂ/—112
2,240
2,464
50ŒÂ/—56
2,800
3,080
500ŒÂ/—55
27,500
30,250
BRF-418SE
18
7.5
20ŒÂ/—122
2,440
2,684
50ŒÂ/—61
3,050
3,355
500ŒÂ/—60
30,000
33,000
BRF-419SE
19
7.5
20ŒÂ/—122
2,440
2,684
50ŒÂ/—61
3,050
3,355
500ŒÂ/—60
30,000
33,000
BRF-420SE
20
7.5
20ŒÂ/—122
2,440
2,684
50ŒÂ/—61
3,050
3,355
500ŒÂ/—60
30,000
33,000
BRF-421SE
21
7.5
20ŒÂ/—122
2,440
2,684
50ŒÂ/—61
3,050
3,355
500ŒÂ/—60
30,000
33,000
BRF-422SE
22
7.5
20ŒÂ/—122
2,440
2,684
50ŒÂ/—61
3,050
3,355
500ŒÂ/—60
30,000
33,000
BRF-423SE
23
7.5
20ŒÂ/—122
2,440
2,684
50ŒÂ/—61
3,050
3,355
500ŒÂ/—60
30,000
33,000
BRF-424SE
24
7.5
20ŒÂ/—122
2,440
2,684
50ŒÂ/—61
3,050
3,355
500ŒÂ/—60
30,000
33,000
BRF-425SE
25
7.5
20ŒÂ/—132
2,640
2,904
50ŒÂ/—66
3,300
3,630
500ŒÂ/—65
32,500
35,750
31
Œ‚ ‚è‚Ü‚·
F
1
2
ŽŸ
ÅŒã