[ƒqƒƒXƒMƒlƒbƒg]@ƒXƒy[ƒT[Eƒsƒ“ƒwƒbƒ_[EƒƒbƒVƒƒ[‚Ȃǂ̊î”ÂŽæ•t•”•i‚â‹@\•”•i‚̒ʔ̃TƒCƒg
‚¨”ƒ‚¢•¨ƒKƒCƒh
‚²—˜—p‚ɂ‚¢‚Ä
ƒz[ƒ€
ƒ}ƒCƒy[ƒW
”ƒ‚¢•¨‚©‚²
ƒ[ƒ‹ƒjƒ…[ƒX
ƒNƒCƒbƒNƒI[ƒ_[
‚¨–â‚¢‡‚킹
‚悤‚±‚» ƒQƒXƒg —l
Œ`ó‚©‚ç’T‚·
‹à‘®ƒXƒy[ƒT[
Ž÷މƒXƒy[ƒT[
ƒsƒ“ƒwƒbƒ_[
’[Žq—Þ
ƒCƒ“ƒT[ƒgƒiƒbƒg
ƒ[ƒŒƒbƒgƒcƒ}ƒ~
ƒ[ƒŒƒbƒgƒiƒbƒg
ƒVƒƒƒtƒg/‘SƒlƒW/‚΂˃|ƒXƒg
ƒƒbƒVƒƒ[
ƒuƒbƒVƒ…
‚Ë‚¶
ƒ{ƒ‹ƒg
ƒiƒbƒg
ƒŠƒxƒbƒg
ÞŽ¿‚©‚ç’T‚·
‰©“º
ƒŠƒ““º
ƒXƒ`[ƒ‹
ƒXƒy[ƒT[i—¼ƒƒlƒWj
˜ZŠp ŽO‰¿ƒNƒƒ€ƒNƒƒ[ƒg
˜ZŠp Ni‚ß‚Á‚«
˜ZŠp/ƒƒlƒW‘¤ŽMƒlƒW—p
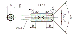
M3
M4
ŠÛŒ^
ŠÛŒ^/ƒXƒŠŠ„
ƒXƒy[ƒT[iƒIƒlƒWEƒƒlƒWj
ƒXƒy[ƒT[i—¼ƒƒlƒWj
ƒXƒy[ƒT[i’†‹ój
ƒiƒx¬ƒlƒW
ƒZƒbƒgƒiƒx¬ƒlƒWiƒƒbƒVƒƒ[1–‡j
ƒZƒbƒgƒiƒx¬‚Ë‚¶iƒƒbƒVƒƒ[×2j
ƒZƒbƒgƒiƒx¬‚Ë‚¶iƒƒbƒVƒƒ[×3j
ŽM¬ƒlƒW
˜ZŠpŒŠ•tƒ{ƒ‹ƒg
“Sƒ^ƒbƒsƒ“ƒlƒW
ƒcƒo•t¬ƒlƒW
ƒƒbƒVƒƒ[
ƒuƒbƒVƒ…iØí‰ÁHj
ƒuƒbƒVƒ…
ƒiƒbƒg
ƒŠƒxƒbƒg
ƒXƒeƒ“ƒŒƒX
ƒAƒ‹ƒ~
‰”ƒŒƒX‰©“º
ƒ`ƒ^ƒ“
ƒWƒ…ƒ‰ƒRƒ“
PBT
PPS
PEEK
ƒiƒCƒƒ“
ƒŒƒj[
PTFE
ƒx[ƒN
ABS
ƒZƒ‰ƒ~ƒbƒNƒX
ƒKƒ‰ƒX
ƒKƒ‰ƒGƒ|
PCT
LCP
ƒGƒ‰ƒXƒgƒ}[
ƒVƒŠƒRƒ“
PC
ƒtƒ@ƒCƒo[
ƒ|ƒŠƒXƒ‰ƒCƒ_[
ƒ|ƒŠƒvƒƒsƒŒƒ“
ƒJƒvƒgƒ“
PVDF
ƒ‹ƒ~ƒ‰[
PFA
PVC
PFA
ƒSƒ€
ÕŒ‚‹zŽûƒiƒCƒƒ“
ƒ|ƒŠƒGƒ`ƒŒƒ“
‚»‚Ì‘¼
ƒz[ƒ€
>
ƒXƒ`[ƒ‹
>
ƒXƒy[ƒT[i—¼ƒƒlƒWj
>
˜ZŠp/ƒƒlƒW‘¤ŽMƒlƒW—p
˜ZŠp/ƒƒlƒW‘¤ŽMƒlƒW—p
ƒXƒ`[ƒ‹ƒXƒy[ƒT[i˜ZŠpE”–”ÂŽMƒlƒWŽæ•t—pj
KSF-300AE
ÞŽ¿^‰õí|iSUMj
ˆ—^ŽO‰¿ƒNƒƒ€ƒNƒƒ[ƒgˆ—
RoHS2‘Ήž»•i
•À‚בւ¦F
¤•iƒR[ƒh
¤•i–¼
””„“ú
‰¿Ši(ˆÀ‚¢‡)
‰¿Ši(‚‚¢‡)
””„“ú{¤•i–¼
32
Œ‚ ‚è‚Ü‚·
F
1
2
ŽŸ
ÅŒã
•i”Ô
L
‚Œ1
“ü”/’P‰¿
(Å”²)
”Ì”„‰¿Ši
(Å”²)
”Ì”„‰¿Ši
(Åž)
”—Ê
KSF-306AE
6
‘SƒlƒW
20ŒÂ/—76
1,520
1,672
50ŒÂ/—38
1,900
2,090
500ŒÂ/—37
18,500
20,350
KSF-306.5AE
6.5
‘SƒlƒW
20ŒÂ/—76
1,520
1,672
50ŒÂ/—38
1,900
2,090
500ŒÂ/—37
18,500
20,350
KSF-307AE
7
‘SƒlƒW
20ŒÂ/—76
1,520
1,672
50ŒÂ/—38
1,900
2,090
500ŒÂ/—37
18,500
20,350
KSF-307.5AE
7.5
‘SƒlƒW
20ŒÂ/—78
1,560
1,716
50ŒÂ/—39
1,950
2,145
500ŒÂ/—38
19,000
20,900
KSF-308AE
8
‘SƒlƒW
20ŒÂ/—78
1,560
1,716
50ŒÂ/—39
1,950
2,145
500ŒÂ/—38
19,000
20,900
KSF-308.5AE
8.5
‘SƒlƒW
20ŒÂ/—78
1,560
1,716
50ŒÂ/—39
1,950
2,145
500ŒÂ/—38
19,000
20,900
KSF-309AE
9
‘SƒlƒW
20ŒÂ/—78
1,560
1,716
50ŒÂ/—39
1,950
2,145
500ŒÂ/—38
19,000
20,900
KSF-309.5AE
9.5
‘SƒlƒW
20ŒÂ/—82
1,640
1,804
50ŒÂ/—41
2,050
2,255
500ŒÂ/—40
20,000
22,000
KSF-310AE
10
‘SƒlƒW
20ŒÂ/—66
1,320
1,452
50ŒÂ/—33
1,650
1,815
500ŒÂ/—32
16,000
17,600
KSF-311AE
11
‘SƒlƒW
20ŒÂ/—82
1,640
1,804
50ŒÂ/—41
2,050
2,255
500ŒÂ/—40
20,000
22,000
KSF-312AE
12
‘SƒlƒW
20ŒÂ/—80
1,600
1,760
50ŒÂ/—40
2,000
2,200
500ŒÂ/—39
19,500
21,450
KSF-312.5AE
12.5
‘SƒlƒW
20ŒÂ/—80
1,600
1,760
50ŒÂ/—40
2,000
2,200
500ŒÂ/—39
19,500
21,450
KSF-313AE
13
‘SƒlƒW
20ŒÂ/—80
1,600
1,760
50ŒÂ/—40
2,000
2,200
500ŒÂ/—39
19,500
21,450
KSF-314AE
14
‘SƒlƒW
20ŒÂ/—84
1,680
1,848
50ŒÂ/—42
2,100
2,310
500ŒÂ/—41
20,500
22,550
KSF-315AE
15
‘SƒlƒW
20ŒÂ/—70
1,400
1,540
50ŒÂ/—35
1,750
1,925
500ŒÂ/—34
17,000
18,700
KSF-316AE
16
6
20ŒÂ/—86
1,720
1,892
50ŒÂ/—43
2,150
2,365
500ŒÂ/—42
21,000
23,100
KSF-316.5AE
16.5
6
20ŒÂ/—86
1,720
1,892
50ŒÂ/—43
2,150
2,365
500ŒÂ/—42
21,000
23,100
KSF-317AE
17
6
20ŒÂ/—86
1,720
1,892
50ŒÂ/—43
2,150
2,365
500ŒÂ/—42
21,000
23,100
KSF-317.5AE
17.5
6
20ŒÂ/—88
1,760
1,936
50ŒÂ/—44
2,200
2,420
500ŒÂ/—43
21,500
23,650
KSF-318AE
18
6
20ŒÂ/—88
1,760
1,936
50ŒÂ/—44
2,200
2,420
500ŒÂ/—43
21,500
23,650
32
Œ‚ ‚è‚Ü‚·
F
1
2
ŽŸ
ÅŒã
M3
M4