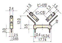
ピン2Y型(ピッチ15.24)

調整部品用端子/HOS-1515O
●ピン 材質/リン青銅(C5191)
処理/金フラッシュ(ニッケル下地)
●台 材質/PBT(ガラス繊維30%入)
色/6色
熱変形温度/1.82MPa・・・200℃(耐ハンダ性)
UL規格/UL94V-0(材料)
RoHS2対応製品
●ピン 材質/リン青銅(C5191)
処理/金フラッシュ(ニッケル下地)
●台 材質/PBT(ガラス繊維30%入)
色/6色
熱変形温度/1.82MPa・・・200℃(耐ハンダ性)
UL規格/UL94V-0(材料)
RoHS2対応製品




