[ƒqƒƒXƒMƒlƒbƒg]@ƒXƒy[ƒT[Eƒsƒ“ƒwƒbƒ_[EƒƒbƒVƒƒ[‚Ȃǂ̊î”ÂŽæ•t•”•i‚â‹@\•”•i‚̒ʔ̃TƒCƒg
‚¨”ƒ‚¢•¨ƒKƒCƒh
‚²—˜—p‚ɂ‚¢‚Ä
ƒz[ƒ€
ƒ}ƒCƒy[ƒW
”ƒ‚¢•¨‚©‚²
ƒ[ƒ‹ƒjƒ…[ƒX
ƒNƒCƒbƒNƒI[ƒ_[
‚¨–â‚¢‡‚킹
‚悤‚±‚» ƒQƒXƒg —l
Œ`ó‚©‚ç’T‚·
‹à‘®ƒXƒy[ƒT[
Ž÷މƒXƒy[ƒT[
ƒsƒ“ƒwƒbƒ_[
’[Žq—Þ
ƒCƒ“ƒT[ƒgƒiƒbƒg
ƒ[ƒŒƒbƒgƒcƒ}ƒ~
ƒ[ƒŒƒbƒgƒiƒbƒg
ƒVƒƒƒtƒg/‘SƒlƒW/‚΂˃|ƒXƒg
ƒƒbƒVƒƒ[
ƒuƒbƒVƒ…
‚Ë‚¶
ƒ{ƒ‹ƒg
ƒiƒbƒg
ƒŠƒxƒbƒg
ÞŽ¿‚©‚ç’T‚·
‰©“º
ƒXƒy[ƒT[i—¼ƒƒlƒWj
˜ZŠp(Ni)
˜ZŠp(ƒƒbƒL–³)
‰©“ºƒXƒy[ƒT[i•FÄ‚«•t‚¯ˆ—j
˜ZŠp/ƒCƒ“ƒ`
˜ZŠp•Б¤â‰ƒ^ƒCƒv
˜ZŠpƒƒlƒW‘¤ŽMƒlƒW—p (Ni)
˜ZŠpƒƒlƒW‘¤ŽMƒlƒW—p(ƒƒbƒL–³)
˜ZŠp’i•t‚«(•Б¤j
˜ZŠp’i•t‚«(—¼‘¤j
ŠÛŒ^i‚mi)
M1.4
M1.7
M2
M2.5
M2.6
M3
M4
ŠÛŒ^iƒƒbƒL–³)
ŠÛŒ^(•Ni)
ŠÛŒ^/ƒXƒŠŠ„
ŠÛŒ^/ƒXƒŠŠ„(•Ni)
ŠÛŒ^/ƒSƒ€ƒƒbƒVƒƒ[•t
ŽlŠp
ƒXƒy[ƒT[iƒIƒlƒWEƒƒlƒWj
ƒXƒy[ƒT[i—¼ƒIƒlƒWj
ƒXƒy[ƒT[i’†‹ój
“ÁŽêƒXƒy[ƒT[
’[Žq
’[ŽqŽæ•t‘ä
ƒCƒ“ƒT[ƒgƒiƒbƒgiƒlƒWž‚ÝŽ®j
ƒCƒ“ƒT[ƒgƒiƒbƒgiˆ³“üŽ®j
‹à‘®i‚·‚芄•tj
‹à‘®i‚·‚芄•tj@Ž÷މƒƒbƒVƒƒ[•t
‹à‘®i‚·‚芄•tj@ƒSƒ€ƒƒbƒVƒƒ[(ƒVƒŠƒRƒ“50°j•t
‹à‘®i‚·‚芄•tj@ƒSƒ€ƒƒbƒVƒƒ[iNBRj•t
‹à‘®ƒXƒŠŠ„ƒcƒo•t
‹à‘®ƒXƒŠŠ„ƒcƒo•t Ž÷މƒƒbƒVƒƒ[•t
‹à‘®ƒXƒŠŠ„ƒcƒo•t @ƒSƒ€ƒƒbƒVƒƒ[(ƒVƒŠƒRƒ“50°j•t
‹à‘®ƒXƒŠŠ„ƒcƒo•t ƒSƒ€ƒƒbƒVƒƒ[iNBRj•t
‹à‘®ƒcƒo•t
‹à‘®ƒcƒo•t Ž÷މƒƒbƒVƒƒ[•t
‹à‘®ƒcƒo•t @ƒSƒ€ƒƒbƒVƒƒ[(ƒVƒŠƒRƒ“50°j•t
‹à‘®ƒcƒo•t ƒSƒ€ƒƒbƒVƒƒ[iNBRj•t
‹à‘®’i•t
‹à‘®’i•t@Ž÷މƒƒbƒVƒƒ[•t
‹à‘®’i•t@ƒSƒ€ƒƒbƒVƒƒ[(ƒVƒŠƒRƒ“50°j•t
‹à‘®’i•t ƒSƒ€ƒƒbƒVƒƒ[iNBRj•t
‹à‘®ƒXƒŠŠ„ƒcƒo•t“·×
‹à‘®ƒXƒŠŠ„ƒcƒo•t“·× Ž÷މƒƒbƒVƒƒ[•t
‹à‘®ƒXƒŠŠ„ƒcƒo•t“·×@ƒSƒ€ƒƒbƒVƒƒ[(ƒVƒŠƒRƒ“50°j•t
‹à‘®ƒXƒŠŠ„ƒcƒo•t“·× ƒSƒ€ƒƒbƒVƒƒ[iNBRj•t
‹à‘®ƒXƒŠŠ„’i•t“·×
‹à‘®ƒXƒŠŠ„’i•t“·× Ž÷މƒƒbƒVƒƒ[•t
‹à‘®ƒXƒŠŠ„’i•t“·×@ƒSƒ€ƒƒbƒVƒƒ[(ƒVƒŠƒRƒ“50°j•t
‹à‘®ƒXƒŠŠ„’i•t“·× ƒSƒ€ƒƒbƒVƒƒ[iNBRj•t
’ᓪƒ^ƒCƒv
’ᓪƒ^ƒCƒv Ž÷މƒƒbƒVƒƒ[•t
’ᓪƒ^ƒCƒv@ƒSƒ€ƒƒbƒVƒƒ[(ƒVƒŠƒRƒ“50°j•t
’ᓪƒ^ƒCƒv ƒSƒ€ƒƒbƒVƒƒ[iNBRj•t
ƒ[ƒŒƒbƒgƒiƒbƒgiƒjƒbƒPƒ‹j
ƒ[ƒŒƒbƒgƒiƒbƒgi‹àƒƒbƒLj
ƒ[ƒŒƒbƒgƒiƒbƒgiƒNƒƒ€j
ƒ[ƒŒƒbƒgƒiƒbƒgiƒNƒƒ€j
ƒƒbƒVƒƒ[
ƒuƒbƒVƒ…iØí‰ÁHj
ƒuƒbƒVƒ…
ƒiƒx¬ƒlƒW
ƒZƒbƒgƒiƒx¬ƒlƒWiƒƒbƒVƒƒ[1–‡j
ƒZƒbƒgƒiƒx¬‚Ë‚¶iƒƒbƒVƒƒ[×2j
ƒZƒbƒgƒiƒx¬‚Ë‚¶iƒƒbƒVƒƒ[×3j
ŽM¬ƒlƒW
ƒiƒbƒg
‘SƒlƒW
—¼’[ƒlƒW
ƒoƒCƒ“ƒh¬ƒlƒW
ƒŠƒ““º
ƒXƒ`[ƒ‹
ƒXƒeƒ“ƒŒƒX
ƒAƒ‹ƒ~
‰”ƒŒƒX‰©“º
ƒ`ƒ^ƒ“
ƒWƒ…ƒ‰ƒRƒ“
PBT
PPS
PEEK
ƒiƒCƒƒ“
ƒŒƒj[
PTFE
ƒx[ƒN
ABS
ƒZƒ‰ƒ~ƒbƒNƒX
ƒKƒ‰ƒX
ƒKƒ‰ƒGƒ|
PCT
LCP
ƒGƒ‰ƒXƒgƒ}[
ƒVƒŠƒRƒ“
PC
ƒtƒ@ƒCƒo[
ƒ|ƒŠƒXƒ‰ƒCƒ_[
ƒ|ƒŠƒvƒƒsƒŒƒ“
ƒJƒvƒgƒ“
PVDF
ƒ‹ƒ~ƒ‰[
PFA
PVC
PFA
ƒSƒ€
ÕŒ‚‹zŽûƒiƒCƒƒ“
ƒ|ƒŠƒGƒ`ƒŒƒ“
‚»‚Ì‘¼
ƒz[ƒ€
>
‰©“º
>
ƒXƒy[ƒT[i—¼ƒƒlƒWj
>
ŠÛŒ^i‚mi)
>
M1.4
M1.4
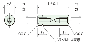
‰©“ºƒXƒy[ƒT[iŠÛŒ^j^ARB-1400E
ÞŽ¿^‰õ퉩“ºiC3604BDj
ƒJƒhƒ~ƒEƒ€ŠÜ—L—¦75ppm–¢–ž
ˆ—^ƒjƒbƒPƒ‹ƒƒbƒLiNij
RoHS2‘Ήž»•i
•À‚בւ¦F
¤•iƒR[ƒh
¤•i–¼
””„“ú
‰¿Ši(ˆÀ‚¢‡)
‰¿Ši(‚‚¢‡)
””„“ú{¤•i–¼
38
Œ‚ ‚è‚Ü‚·
F
1
2
ŽŸ
ÅŒã
•i”Ô
L
‚Œ1
“ü”/’P‰¿
(Å”²)
”Ì”„‰¿Ši
(Å”²)
”Ì”„‰¿Ši
(Åž)
”—Ê
ARB-1403E
3
‘SƒlƒW
20ŒÂ/—60
1,200
1,320
50ŒÂ/—30
1,500
1,650
500ŒÂ/—29
14,500
15,950
ARB-1403.5E
3.5
‘SƒlƒW
20ŒÂ/—60
1,200
1,320
50ŒÂ/—30
1,500
1,650
500ŒÂ/—29
14,500
15,950
ARB-1404E
4
‘SƒlƒW
20ŒÂ/—60
1,200
1,320
50ŒÂ/—30
1,500
1,650
500ŒÂ/—29
14,500
15,950
ARB-1404.5E
4.5
‘SƒlƒW
20ŒÂ/—60
1,200
1,320
50ŒÂ/—30
1,500
1,650
500ŒÂ/—29
14,500
15,950
ARB-1405E
5
‘SƒlƒW
20ŒÂ/—60
1,200
1,320
50ŒÂ/—30
1,500
1,650
500ŒÂ/—29
14,500
15,950
ARB-1405.5E
5.5
‘SƒlƒW
20ŒÂ/—60
1,200
1,320
50ŒÂ/—30
1,500
1,650
500ŒÂ/—29
14,500
15,950
ARB-1406E
6
‘SƒlƒW
20ŒÂ/—62
1,240
1,364
50ŒÂ/—31
1,550
1,705
500ŒÂ/—30
15,000
16,500
ARB-1406.5E
6.5
‘SƒlƒW
20ŒÂ/—62
1,240
1,364
50ŒÂ/—31
1,550
1,705
500ŒÂ/—30
15,000
16,500
ARB-1407E
7
‘SƒlƒW
20ŒÂ/—62
1,240
1,364
50ŒÂ/—31
1,550
1,705
500ŒÂ/—30
15,000
16,500
ARB-1407.5E
7.5
‘SƒlƒW
20ŒÂ/—62
1,240
1,364
50ŒÂ/—31
1,550
1,705
500ŒÂ/—30
15,000
16,500
ARB-1408E
8
‘SƒlƒW
20ŒÂ/—62
1,240
1,364
50ŒÂ/—31
1,550
1,705
500ŒÂ/—30
15,000
16,500
ARB-1408.5E
8.5
‘SƒlƒW
20ŒÂ/—62
1,240
1,364
50ŒÂ/—31
1,550
1,705
500ŒÂ/—30
15,000
16,500
ARB-1409E
9
‘SƒlƒW
20ŒÂ/—64
1,280
1,408
50ŒÂ/—32
1,600
1,760
500ŒÂ/—31
15,500
17,050
ARB-1409.5E
9.5
‘SƒlƒW
20ŒÂ/—64
1,280
1,408
50ŒÂ/—32
1,600
1,760
500ŒÂ/—31
15,500
17,050
ARB-1410E
10
‘SƒlƒW
20ŒÂ/—64
1,280
1,408
50ŒÂ/—32
1,600
1,760
500ŒÂ/—31
15,500
17,050
ARB-1411E
11
5
20ŒÂ/—64
1,280
1,408
50ŒÂ/—32
1,600
1,760
500ŒÂ/—31
15,500
17,050
ARB-1412E
12
5
20ŒÂ/—66
1,320
1,452
50ŒÂ/—33
1,650
1,815
500ŒÂ/—32
16,000
17,600
ARB-1412.5E
12.5
5
20ŒÂ/—66
1,320
1,452
50ŒÂ/—33
1,650
1,815
500ŒÂ/—32
16,000
17,600
ARB-1413E
13
5
20ŒÂ/—66
1,320
1,452
50ŒÂ/—33
1,650
1,815
500ŒÂ/—32
16,000
17,600
ARB-1414E
14
5
20ŒÂ/—66
1,320
1,452
50ŒÂ/—33
1,650
1,815
500ŒÂ/—32
16,000
17,600
38
Œ‚ ‚è‚Ü‚·
F
1
2
ŽŸ
ÅŒã