[ƒqƒƒXƒMƒlƒbƒg]@ƒXƒy[ƒT[Eƒsƒ“ƒwƒbƒ_[EƒƒbƒVƒƒ[‚Ȃǂ̊î”ÂŽæ•t•”•i‚â‹@\•”•i‚̒ʔ̃TƒCƒg
‚¨”ƒ‚¢•¨ƒKƒCƒh
‚²—˜—p‚ɂ‚¢‚Ä
ƒz[ƒ€
ƒ}ƒCƒy[ƒW
”ƒ‚¢•¨‚©‚²
ƒ[ƒ‹ƒjƒ…[ƒX
ƒNƒCƒbƒNƒI[ƒ_[
‚¨–â‚¢‡‚킹
‚悤‚±‚» ƒQƒXƒg —l
Œ`ó‚©‚ç’T‚·
‹à‘®ƒXƒy[ƒT[
Ž÷މƒXƒy[ƒT[
ƒsƒ“ƒwƒbƒ_[
’[Žq—Þ
ƒCƒ“ƒT[ƒgƒiƒbƒg
ƒ[ƒŒƒbƒgƒcƒ}ƒ~
ƒ[ƒŒƒbƒgƒiƒbƒg
ƒVƒƒƒtƒg/‘SƒlƒW/‚΂˃|ƒXƒg
ƒƒbƒVƒƒ[
ƒuƒbƒVƒ…
‚Ë‚¶
ƒiƒx¬ƒlƒW(‹à‘®j
ƒiƒx¬ƒlƒW(Ž÷މ/ƒZƒ‰ƒ~ƒbƒNƒXj
ƒŒƒj[
M1.2
M1.4
M1.6
M1.7
M2
M2.5
M2.6
M3
M4
M5
M6
M8
PC
ƒZƒ‰ƒ~ƒbƒNƒXƒKƒX”²—pŒŠ•t
ƒZƒ‰ƒ~ƒbƒNƒXƒKƒX”²—pŒŠ‚È‚µ
PVDF
ƒiƒCƒƒ“
ƒs[ƒN
PPS
ƒZƒbƒgƒiƒx¬ƒlƒW(‹à‘®jiƒƒbƒVƒƒ[1–‡j
ƒZƒbƒgƒiƒx¬ƒlƒW(Ž÷މjiƒƒbƒVƒƒ[1–‡j
ƒZƒbƒgƒiƒx¬‚Ë‚¶iƒƒbƒVƒƒ[×2j
ƒZƒbƒgƒiƒx¬‚Ë‚¶iƒƒbƒVƒƒ[×3j
ŽM¬ƒlƒW
ŠÛŽMƒlƒW
•½¬ƒlƒW
Ž~‚߃lƒW
ƒ^ƒbƒsƒ“ƒlƒW
ƒJƒbƒvƒXƒNƒŠƒ…[
ƒ{ƒ‹ƒg
ƒiƒbƒg
ƒŠƒxƒbƒg
ÞŽ¿‚©‚ç’T‚·
‰©“º
ƒŠƒ““º
ƒXƒ`[ƒ‹
ƒXƒeƒ“ƒŒƒX
ƒAƒ‹ƒ~
‰”ƒŒƒX‰©“º
ƒ`ƒ^ƒ“
ƒWƒ…ƒ‰ƒRƒ“
PBT
PPS
PEEK
ƒiƒCƒƒ“
ƒŒƒj[
PTFE
ƒx[ƒN
ABS
ƒZƒ‰ƒ~ƒbƒNƒX
ƒKƒ‰ƒX
ƒKƒ‰ƒGƒ|
PCT
LCP
ƒGƒ‰ƒXƒgƒ}[
ƒVƒŠƒRƒ“
PC
ƒtƒ@ƒCƒo[
ƒ|ƒŠƒXƒ‰ƒCƒ_[
ƒ|ƒŠƒvƒƒsƒŒƒ“
ƒJƒvƒgƒ“
PVDF
ƒ‹ƒ~ƒ‰[
PFA
PVC
PFA
ƒSƒ€
ÕŒ‚‹zŽûƒiƒCƒƒ“
ƒ|ƒŠƒGƒ`ƒŒƒ“
‚»‚Ì‘¼
ƒz[ƒ€
>
‚Ë‚¶
>
ƒiƒx¬ƒlƒW(Ž÷މ/ƒZƒ‰ƒ~ƒbƒNƒXj
>
ƒŒƒj[
>
M4
ƒŒƒj[ƒiƒx¬ƒlƒWi\ŽšŒŠ•tj^RY-0400
ÞŽ¿^RENYiƒ|ƒŠƒAƒ~ƒhMXD6jƒKƒ‰ƒX‘@ˆÛ50““ü
F^‰©—Î
”M•ÏŒ`‰·“x^1.82MPaEEE234Ž
UL‹KŠi^UL94-HBiÞ—¿j
RoHS2‘Ήž»•i
•À‚בւ¦F
¤•iƒR[ƒh
¤•i–¼
””„“ú
‰¿Ši(ˆÀ‚¢‡)
‰¿Ši(‚‚¢‡)
””„“ú{¤•i–¼
10
Œ‚ ‚è‚Ü‚·
•i”Ô
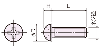
ƒlƒWŒa
ƒsƒbƒ`
D
H
L
“ü”/’P‰¿
(Å”²)
”Ì”„‰¿Ši
(Å”²)
”Ì”„‰¿Ši
(Åž)
”—Ê
RY-0405
M4
0.7
7
2.6
5
20ŒÂ/—42
840
924
50ŒÂ/—21
1,050
1,155
500ŒÂ/—20
10,000
11,000
RY-0406
M4
0.7
7
2.6
6
20ŒÂ/—42
840
924
50ŒÂ/—21
1,050
1,155
500ŒÂ/—20
10,000
11,000
RY-0408
M4
0.7
7
2.6
8
20ŒÂ/—44
880
968
50ŒÂ/—22
1,100
1,210
500ŒÂ/—21
10,500
11,550
RY-0410
M4
0.7
7
2.6
10
20ŒÂ/—46
920
1,012
50ŒÂ/—23
1,150
1,265
500ŒÂ/—22
11,000
12,100
RY-0412
M4
0.7
7
2.6
12
20ŒÂ/—50
1,000
1,100
50ŒÂ/—25
1,250
1,375
500ŒÂ/—24
12,000
13,200
RY-0415
M4
0.7
7
2.6
15
20ŒÂ/—56
1,120
1,232
50ŒÂ/—28
1,400
1,540
500ŒÂ/—27
13,500
14,850
RY-0416
M4
0.7
7
2.6
16
20ŒÂ/—56
1,120
1,232
50ŒÂ/—28
1,400
1,540
500ŒÂ/—27
13,500
14,850
RY-0420
M4
0.7
7
2.6
20
20ŒÂ/—58
1,160
1,276
50ŒÂ/—29
1,450
1,595
500ŒÂ/—28
14,000
15,400
RY-0425
M4
0.7
7
2.6
25
20ŒÂ/—74
1,480
1,628
50ŒÂ/—37
1,850
2,035
500ŒÂ/—36
18,000
19,800
RY-0430
M4
0.7
7
2.6
30
20ŒÂ/—84
1,680
1,848
50ŒÂ/—42
2,100
2,310
500ŒÂ/—41
20,500
22,550
10
Œ‚ ‚è‚Ü‚·