[ƒqƒƒXƒMƒlƒbƒg]@ƒXƒy[ƒT[Eƒsƒ“ƒwƒbƒ_[EƒƒbƒVƒƒ[‚Ȃǂ̊î”ÂŽæ•t•”•i‚â‹@\•”•i‚̒ʔ̃TƒCƒg
‚¨”ƒ‚¢•¨ƒKƒCƒh
‚²—˜—p‚ɂ‚¢‚Ä
ƒz[ƒ€
ƒ}ƒCƒy[ƒW
”ƒ‚¢•¨‚©‚²
ƒ[ƒ‹ƒjƒ…[ƒX
ƒNƒCƒbƒNƒI[ƒ_[
‚¨–â‚¢‡‚킹
‚悤‚±‚» ƒQƒXƒg —l
Œ`ó‚©‚ç’T‚·
‹à‘®ƒXƒy[ƒT[
Ž÷މƒXƒy[ƒT[
ƒsƒ“ƒwƒbƒ_[
’[Žq—Þ
ƒCƒ“ƒT[ƒgƒiƒbƒg
ƒ[ƒŒƒbƒgƒcƒ}ƒ~
ƒ[ƒŒƒbƒgƒiƒbƒg
ƒVƒƒƒtƒg/‘SƒlƒW/‚΂˃|ƒXƒg
ƒƒbƒVƒƒ[
ƒuƒbƒVƒ…
Ž÷މƒuƒbƒVƒ…
‹à‘®ƒuƒbƒVƒ…(Øí‰ÁHj
‰©“ºiƒjƒbƒPƒ‹j
‰©“ºi’Eމj
“àŒai`ƒ³3j
“àŒaiƒ³3.1`ƒ³4j
“àŒaiƒ³4.1`ƒ³6.5j
ƒAƒ‹ƒ~iŽ_ôj
ƒAƒ‹ƒ~i–³“d‰ðƒjƒbƒPƒ‹j
ƒAƒ‹ƒ~i•ƒAƒ‹ƒ}ƒCƒgj
ƒXƒ`[ƒ‹
ƒXƒeƒ“ƒŒƒX
‹à‘®ƒuƒbƒVƒ…
‚Ë‚¶
ƒ{ƒ‹ƒg
ƒiƒbƒg
ƒŠƒxƒbƒg
ÞŽ¿‚©‚ç’T‚·
‰©“º
ƒŠƒ““º
ƒXƒ`[ƒ‹
ƒXƒeƒ“ƒŒƒX
ƒAƒ‹ƒ~
‰”ƒŒƒX‰©“º
ƒ`ƒ^ƒ“
ƒWƒ…ƒ‰ƒRƒ“
PBT
PPS
PEEK
ƒiƒCƒƒ“
ƒŒƒj[
PTFE
ƒx[ƒN
ABS
ƒZƒ‰ƒ~ƒbƒNƒX
ƒKƒ‰ƒX
ƒKƒ‰ƒGƒ|
PCT
LCP
ƒGƒ‰ƒXƒgƒ}[
ƒVƒŠƒRƒ“
PC
ƒtƒ@ƒCƒo[
ƒ|ƒŠƒXƒ‰ƒCƒ_[
ƒ|ƒŠƒvƒƒsƒŒƒ“
ƒJƒvƒgƒ“
PVDF
ƒ‹ƒ~ƒ‰[
PFA
PVC
PFA
ƒSƒ€
ÕŒ‚‹zŽûƒiƒCƒƒ“
ƒ|ƒŠƒGƒ`ƒŒƒ“
‚»‚Ì‘¼
ƒz[ƒ€
>
ƒuƒbƒVƒ…
>
‹à‘®ƒuƒbƒVƒ…(Øí‰ÁHj
>
‰©“ºi’Eމj
>
“àŒai`ƒ³3j
‰©“ºƒuƒbƒVƒ…iØí‰ÁHj
B0000-0000TC
ÞŽ¿^‰õ퉩“ºiC3604BDj
ƒJƒhƒ~ƒEƒ€ŠÜ—L—¦75ppm–¢–ž
ˆ—^ƒƒbƒL–³
RoHS2‘Ήž»•i
•À‚בւ¦F
¤•iƒR[ƒh
¤•i–¼
””„“ú
‰¿Ši(ˆÀ‚¢‡)
‰¿Ši(‚‚¢‡)
””„“ú{¤•i–¼
101
Œ‚ ‚è‚Ü‚·
F
1
2
3
4
5
6
ŽŸ
ÅŒã
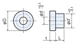
•i”Ô
d
d´
D
t
L
“ü”/’P‰¿
(Å”²)
”Ì”„‰¿Ši
(Å”²)
”Ì”„‰¿Ši
(Åž)
”—Ê
B2030-5805TC
2
3
5
0.8
0.5
20ŒÂ/—50
1,000
1,100
50ŒÂ/—25
1,250
1,375
500ŒÂ/—24
12,000
13,200
B2030-5810TC
2
3
5
0.8
1
20ŒÂ/—52
1,040
1,144
50ŒÂ/—26
1,300
1,430
500ŒÂ/—25
12,500
13,750
B2030-5815TC
2
3
5
0.8
1.5
20ŒÂ/—52
1,040
1,144
50ŒÂ/—26
1,300
1,430
500ŒÂ/—25
12,500
13,750
B2646-8110TC
2.6
4.6
8
1
1
20ŒÂ/—56
1,120
1,232
50ŒÂ/—28
1,400
1,540
500ŒÂ/—27
13,500
14,850
B2646-8120TC
2.6
4.6
8
1
2
20ŒÂ/—58
1,160
1,276
50ŒÂ/—29
1,450
1,595
500ŒÂ/—28
14,000
15,400
B2646-8130TC
2.6
4.6
8
1
3
20ŒÂ/—58
1,160
1,276
50ŒÂ/—29
1,450
1,595
500ŒÂ/—28
14,000
15,400
B2736-5805TC
2.7
3.6
5
0.8
0.5
20ŒÂ/—50
1,000
1,100
50ŒÂ/—25
1,250
1,375
500ŒÂ/—24
12,000
13,200
B2736-5810TC
2.7
3.6
5
0.8
1
20ŒÂ/—50
1,000
1,100
50ŒÂ/—25
1,250
1,375
500ŒÂ/—24
12,000
13,200
B2736-5815TC
2.7
3.6
5
0.8
1.5
20ŒÂ/—52
1,040
1,144
50ŒÂ/—26
1,300
1,430
500ŒÂ/—25
12,500
13,750
B2736-5105TC
2.7
3.6
5
1
0.5
20ŒÂ/—52
1,040
1,144
50ŒÂ/—26
1,300
1,430
500ŒÂ/—25
12,500
13,750
B2736-5110TC
2.7
3.6
5
1
1
20ŒÂ/—52
1,040
1,144
50ŒÂ/—26
1,300
1,430
500ŒÂ/—25
12,500
13,750
B2736-5115TC
2.7
3.6
5
1
1.5
20ŒÂ/—52
1,040
1,144
50ŒÂ/—26
1,300
1,430
500ŒÂ/—25
12,500
13,750
B2736-5120TC
2.7
3.6
5
1
2
20ŒÂ/—52
1,040
1,144
50ŒÂ/—26
1,300
1,430
500ŒÂ/—25
12,500
13,750
B2736-5130TC
2.7
3.6
5
1
3
20ŒÂ/—52
1,040
1,144
50ŒÂ/—26
1,300
1,430
500ŒÂ/—25
12,500
13,750
B2736-6805TC
2.7
3.6
6
0.8
0.5
20ŒÂ/—52
1,040
1,144
50ŒÂ/—26
1,300
1,430
500ŒÂ/—25
12,500
13,750
B2736-6810TC
2.7
3.6
6
0.8
1
20ŒÂ/—52
1,040
1,144
50ŒÂ/—26
1,300
1,430
500ŒÂ/—25
12,500
13,750
B2736-6815TC
2.7
3.6
6
0.8
1.5
20ŒÂ/—52
1,040
1,144
50ŒÂ/—26
1,300
1,430
500ŒÂ/—25
12,500
13,750
B2736-6105TC
2.7
3.6
6
1
0.5
20ŒÂ/—52
1,040
1,144
50ŒÂ/—26
1,300
1,430
500ŒÂ/—25
12,500
13,750
B2736-6110TC
2.7
3.6
6
1
1
20ŒÂ/—52
1,040
1,144
50ŒÂ/—26
1,300
1,430
500ŒÂ/—25
12,500
13,750
B2736-6115TC
2.7
3.6
6
1
1.5
20ŒÂ/—52
1,040
1,144
50ŒÂ/—26
1,300
1,430
500ŒÂ/—25
12,500
13,750
101
Œ‚ ‚è‚Ü‚·
F
1
2
3
4
5
6
ŽŸ
ÅŒã