[ƒqƒƒXƒMƒlƒbƒg]@ƒXƒy[ƒT[Eƒsƒ“ƒwƒbƒ_[EƒƒbƒVƒƒ[‚Ȃǂ̊î”ÂŽæ•t•”•i‚â‹@\•”•i‚̒ʔ̃TƒCƒg
‚¨”ƒ‚¢•¨ƒKƒCƒh
‚²—˜—p‚ɂ‚¢‚Ä
ƒz[ƒ€
ƒ}ƒCƒy[ƒW
”ƒ‚¢•¨‚©‚²
ƒ[ƒ‹ƒjƒ…[ƒX
ƒNƒCƒbƒNƒI[ƒ_[
‚¨–â‚¢‡‚킹
‚悤‚±‚» ƒQƒXƒg —l
Œ`ó‚©‚ç’T‚·
‹à‘®ƒXƒy[ƒT[
Ž÷މƒXƒy[ƒT[
ƒsƒ“ƒwƒbƒ_[
’[Žq—Þ
ƒCƒ“ƒT[ƒgƒiƒbƒg
ƒ[ƒŒƒbƒgƒcƒ}ƒ~
ƒ[ƒŒƒbƒgƒiƒbƒg
ƒVƒƒƒtƒg/‘SƒlƒW/‚΂˃|ƒXƒg
ƒƒbƒVƒƒ[
ƒuƒbƒVƒ…
Ž÷މƒuƒbƒVƒ…
ƒWƒ…ƒ‰ƒRƒ“i”’j
ƒWƒ…ƒ‰ƒRƒ“i”’jƒcƒoŒúƒ^ƒCƒv
ƒWƒ…ƒ‰ƒRƒ“i•j
ƒWƒ…ƒ‰ƒRƒ“i•jƒcƒoŒúƒ^ƒCƒv
MCƒiƒCƒƒ“
PBT
PBTi¬Œ^•ij
PTFE
PTFE ƒcƒoŒúƒ^ƒCƒv
ƒx[ƒN
ƒZƒ‰ƒ~ƒbƒNƒX
ƒs[ƒNiØí•ij
ƒs[ƒNi¬Œ^•ij
PEEK ƒcƒoŒúƒ^ƒCƒv
“àŒai2.7j
“àŒai3.2j
“àŒai4.2j
“àŒai5.2j
“àŒai6.2j
“àŒai8.2j
“àŒai10.2j
“àŒai12.2j
PPSi¬Œ^•ij
ABS
ABS(•j
ƒKƒ‰ƒGƒ|
‹à‘®ƒuƒbƒVƒ…(Øí‰ÁHj
‹à‘®ƒuƒbƒVƒ…
‚Ë‚¶
ƒ{ƒ‹ƒg
ƒiƒbƒg
ƒŠƒxƒbƒg
ÞŽ¿‚©‚ç’T‚·
‰©“º
ƒŠƒ““º
ƒXƒ`[ƒ‹
ƒXƒeƒ“ƒŒƒX
ƒAƒ‹ƒ~
‰”ƒŒƒX‰©“º
ƒ`ƒ^ƒ“
ƒWƒ…ƒ‰ƒRƒ“
PBT
PPS
PEEK
ƒiƒCƒƒ“
ƒŒƒj[
PTFE
ƒx[ƒN
ABS
ƒZƒ‰ƒ~ƒbƒNƒX
ƒKƒ‰ƒX
ƒKƒ‰ƒGƒ|
PCT
LCP
ƒGƒ‰ƒXƒgƒ}[
ƒVƒŠƒRƒ“
PC
ƒtƒ@ƒCƒo[
ƒ|ƒŠƒXƒ‰ƒCƒ_[
ƒ|ƒŠƒvƒƒsƒŒƒ“
ƒJƒvƒgƒ“
PVDF
ƒ‹ƒ~ƒ‰[
PFA
PVC
PFA
ƒSƒ€
ÕŒ‚‹zŽûƒiƒCƒƒ“
ƒ|ƒŠƒGƒ`ƒŒƒ“
‚»‚Ì‘¼
ƒz[ƒ€
>
ƒuƒbƒVƒ…
>
Ž÷މƒuƒbƒVƒ…
>
PEEK ƒcƒoŒúƒ^ƒCƒv
>
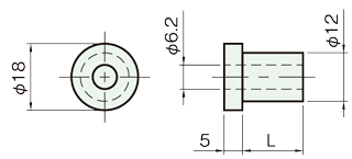
“àŒai6.2j
ƒs[ƒNƒuƒbƒVƒ…^PE6212-0000L
ÞŽ¿^PEEK@ƒOƒŒ[ƒh”ƒPƒgƒƒ“1000
F^‚¤‚·’ƒ
”M•ÏŒ`‰·“x^1.82MPaEEE155Ž
UL‹KŠi^UL94V-0‘Š“–iÞ—¿j
RoHS2‘Ήž»•i
¦Œö·}0.15
•À‚בւ¦F
¤•iƒR[ƒh
¤•i–¼
””„“ú
‰¿Ši(ˆÀ‚¢‡)
‰¿Ši(‚‚¢‡)
””„“ú{¤•i–¼
10
Œ‚ ‚è‚Ü‚·
•i”Ô
L
“ü”/’P‰¿
(Å”²)
”Ì”„‰¿Ši
(Å”²)
”Ì”„‰¿Ši
(Åž)
”—Ê
PE6212-1820L
2
2ŒÂ/—1492
2,984
3,282
10ŒÂ/—746
7,460
8,206
100ŒÂ/—745
74,500
81,950
PE6212-1830L
3
2ŒÂ/—1566
3,132
3,445
10ŒÂ/—783
7,830
8,613
100ŒÂ/—782
78,200
86,020
PE6212-1840L
4
2ŒÂ/—1628
3,256
3,582
10ŒÂ/—814
8,140
8,954
100ŒÂ/—813
81,300
89,430
PE6212-1860L
6
2ŒÂ/—1768
3,536
3,890
10ŒÂ/—884
8,840
9,724
100ŒÂ/—883
88,300
97,130
PE6212-1880L
8
2ŒÂ/—1958
3,916
4,308
10ŒÂ/—979
9,790
10,769
100ŒÂ/—978
97,800
107,580
PE6212-18100L
10
2ŒÂ/—2092
4,184
4,602
10ŒÂ/—1046
10,460
11,506
100ŒÂ/—1045
104,500
114,950
PE6212-18120L
12
2ŒÂ/—2224
4,448
4,893
10ŒÂ/—1112
11,120
12,232
100ŒÂ/—1111
111,100
122,210
PE6212-18140L
14
2ŒÂ/—2384
4,768
5,245
10ŒÂ/—1192
11,920
13,112
100ŒÂ/—1191
119,100
131,010
PE6212-18160L
16
2ŒÂ/—2562
5,124
5,636
10ŒÂ/—1281
12,810
14,091
100ŒÂ/—1280
128,000
140,800
PE6212-18180L
18
2ŒÂ/—2676
5,352
5,887
10ŒÂ/—1338
13,380
14,718
100ŒÂ/—1337
133,700
147,070
10
Œ‚ ‚è‚Ü‚·