[ƒqƒƒXƒMƒlƒbƒg]@ƒXƒy[ƒT[Eƒsƒ“ƒwƒbƒ_[EƒƒbƒVƒƒ[‚Ȃǂ̊î”ÂŽæ•t•”•i‚â‹@\•”•i‚̒ʔ̃TƒCƒg
‚¨”ƒ‚¢•¨ƒKƒCƒh
‚²—˜—p‚ɂ‚¢‚Ä
ƒz[ƒ€
ƒ}ƒCƒy[ƒW
”ƒ‚¢•¨‚©‚²
ƒ[ƒ‹ƒjƒ…[ƒX
ƒNƒCƒbƒNƒI[ƒ_[
‚¨–â‚¢‡‚킹
‚悤‚±‚» ƒQƒXƒg —l
Œ`ó‚©‚ç’T‚·
‹à‘®ƒXƒy[ƒT[
Ž÷މƒXƒy[ƒT[
ƒsƒ“ƒwƒbƒ_[
’[Žq—Þ
ƒCƒ“ƒT[ƒgƒiƒbƒg
ƒ[ƒŒƒbƒgƒcƒ}ƒ~
ƒ[ƒŒƒbƒgƒiƒbƒg
ƒVƒƒƒtƒg/‘SƒlƒW/‚΂˃|ƒXƒg
ƒƒbƒVƒƒ[
•½ƒƒbƒVƒƒ[iŽ÷މEƒZƒ‰ƒ~ƒbƒNƒXj
ƒWƒ…ƒ‰ƒRƒ“i”’j
ƒWƒ…ƒ‰ƒRƒ“i•j
PTFE
’áƒNƒŠ[ƒv
ƒiƒCƒƒ“i”’j
ƒiƒCƒƒ“i•j
ƒtƒ@ƒCƒo[iÔj
ƒtƒ@ƒCƒo[i”’j
ƒ|ƒŠƒXƒ‰ƒCƒ_[
ƒ|ƒŠƒXƒ‰ƒCƒ_[(ƒJƒbƒg)
ƒŒƒj[
ƒŒƒj[i•j
ƒ|ƒŠƒJ[ƒ{ƒl[ƒg
ƒ|ƒŠƒvƒƒsƒŒƒ“
ƒx[ƒN
ƒs[ƒN
“àŒa(`ƒ³3j
“àŒa(ƒ³3.1`ƒ³5j
“àŒa(ƒ³5.1`ƒ³7j
“àŒa(ƒ³7.1`ƒ³10j
“àŒa(ƒ³10.1`j
ƒVƒŠƒRƒ“
ƒJƒvƒgƒ“
PPS
ƒZƒ‰ƒ~ƒbƒNƒX
ƒKƒ‰ƒGƒ|
PVDF
ƒ‹ƒ~ƒ‰[i”¼“§–¾j
ƒ‹ƒ~ƒ‰[iÔj
ƒ‹ƒ~ƒ‰[iÂj
ƒ|ƒŠ‰–‰»ƒrƒjƒ‹(ŠDFj
ƒ|ƒŠ‰–‰»ƒrƒjƒ‹(“§–¾j
MCƒiƒCƒƒ“
ÕŒ‚‹zŽûƒiƒCƒƒ“ƒƒbƒVƒƒ[
ƒ|ƒŠƒGƒ`ƒŒƒ“ƒƒbƒVƒƒ[
•½ƒƒbƒVƒƒ[i‹à‘®j
ƒXƒvƒŠƒ“ƒOƒƒbƒVƒƒ[
Ž÷މƒZƒbƒgƒƒbƒVƒƒ[
ƒƒ[ƒbƒgƒƒbƒVƒƒ[
ƒSƒ€ƒƒbƒVƒƒ[
ƒSƒ€ƒZƒbƒgƒƒbƒVƒƒ[
ƒuƒbƒVƒ…
‚Ë‚¶
ƒ{ƒ‹ƒg
ƒiƒbƒg
ƒŠƒxƒbƒg
ÞŽ¿‚©‚ç’T‚·
‰©“º
ƒŠƒ““º
ƒXƒ`[ƒ‹
ƒXƒeƒ“ƒŒƒX
ƒAƒ‹ƒ~
‰”ƒŒƒX‰©“º
ƒ`ƒ^ƒ“
ƒWƒ…ƒ‰ƒRƒ“
PBT
PPS
PEEK
ƒiƒCƒƒ“
ƒŒƒj[
PTFE
ƒx[ƒN
ABS
ƒZƒ‰ƒ~ƒbƒNƒX
ƒKƒ‰ƒX
ƒKƒ‰ƒGƒ|
PCT
LCP
ƒGƒ‰ƒXƒgƒ}[
ƒVƒŠƒRƒ“
PC
ƒtƒ@ƒCƒo[
ƒ|ƒŠƒXƒ‰ƒCƒ_[
ƒ|ƒŠƒvƒƒsƒŒƒ“
ƒJƒvƒgƒ“
PVDF
ƒ‹ƒ~ƒ‰[
PFA
PVC
PFA
ƒSƒ€
ÕŒ‚‹zŽûƒiƒCƒƒ“
ƒ|ƒŠƒGƒ`ƒŒƒ“
‚»‚Ì‘¼
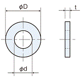
ƒz[ƒ€
>
ƒƒbƒVƒƒ[
>
•½ƒƒbƒVƒƒ[iŽ÷މEƒZƒ‰ƒ~ƒbƒNƒXj
>
ƒs[ƒN
>
“àŒa(ƒ³3.1`ƒ³5j
ƒs[ƒNƒƒbƒVƒƒ[^PEW-0000-00
ÞŽ¿^PEEKiƒ|ƒŠƒG[ƒeƒ‹ƒG[ƒeƒ‹ƒPƒgƒ“j
F^‚¤‚·’ƒ
”M•ÏŒ`‰·“x^1.82MPaEEE152Ž
UL‹KŠi^UL94V-0iÞ—¿j
RoHS2‘Ήž»•i
•À‚בւ¦F
¤•iƒR[ƒh
¤•i–¼
””„“ú
‰¿Ši(ˆÀ‚¢‡)
‰¿Ši(‚‚¢‡)
””„“ú{¤•i–¼
92
Œ‚ ‚è‚Ü‚·
F
1
2
3
4
5
ŽŸ
ÅŒã
•i”Ô
d
D
t
“ü”/’P‰¿
(Å”²)
”Ì”„‰¿Ši
(Å”²)
”Ì”„‰¿Ši
(Åž)
”—Ê
PEW-3105-01
3.1
5.4
0.15
20ŒÂ/—28
560
616
50ŒÂ/—14
700
770
500ŒÂ/—13
6,500
7,150
PEW-3105-02
3.1
5.4
0.25
20ŒÂ/—28
560
616
50ŒÂ/—14
700
770
500ŒÂ/—13
6,500
7,150
PEW-3105-05
3.1
5.4
0.5
20ŒÂ/—34
680
748
50ŒÂ/—17
850
935
500ŒÂ/—16
8,000
8,800
PEW-0306-08
3.2
6
0.8
20ŒÂ/—70
1,400
1,540
50ŒÂ/—35
1,750
1,925
500ŒÂ/—34
17,000
18,700
PEW-0306-10
3.2
6
1
20ŒÂ/—70
1,400
1,540
50ŒÂ/—35
1,750
1,925
500ŒÂ/—34
17,000
18,700
PEW-0307-05
3.2
7
0.5
20ŒÂ/—70
1,400
1,540
50ŒÂ/—35
1,750
1,925
500ŒÂ/—34
17,000
18,700
PEW-0308-01
3.2
8
0.15
20ŒÂ/—30
600
660
50ŒÂ/—15
750
825
500ŒÂ/—14
7,000
7,700
PEW-0308-03
3.2
8
0.3
20ŒÂ/—32
640
704
50ŒÂ/—16
800
880
500ŒÂ/—15
7,500
8,250
PEW-0308-05
3.2
8
0.5
20ŒÂ/—42
840
924
50ŒÂ/—21
1,050
1,155
500ŒÂ/—20
10,000
11,000
PEW-0308-10
3.2
8
1
20ŒÂ/—68
1,360
1,496
50ŒÂ/—34
1,700
1,870
500ŒÂ/—33
16,500
18,150
PEW-0308-15
3.2
8
1.5
20ŒÂ/—78
1,560
1,716
50ŒÂ/—39
1,950
2,145
500ŒÂ/—38
19,000
20,900
PEW-0308-20
3.2
8
2
20ŒÂ/—88
1,760
1,936
50ŒÂ/—44
2,200
2,420
500ŒÂ/—43
21,500
23,650
PEW-0308-25
3.2
8
2.5
20ŒÂ/—98
1,960
2,156
50ŒÂ/—49
2,450
2,695
500ŒÂ/—48
24,000
26,400
PEW-0308-30
3.2
8
3
20ŒÂ/—108
2,160
2,376
50ŒÂ/—54
2,700
2,970
500ŒÂ/—53
26,500
29,150
PEW-0308-35
3.2
8
3.5
20ŒÂ/—126
2,520
2,772
50ŒÂ/—63
3,150
3,465
500ŒÂ/—62
31,000
34,100
PEW-0308-40
3.2
8
4
20ŒÂ/—136
2,720
2,992
50ŒÂ/—68
3,400
3,740
500ŒÂ/—67
33,500
36,850
PEW-0308-45
3.2
8
4.5
20ŒÂ/—142
2,840
3,124
50ŒÂ/—71
3,550
3,905
500ŒÂ/—70
35,000
38,500
PEW-0308-50
3.2
8
5
20ŒÂ/—148
2,960
3,256
50ŒÂ/—74
3,700
4,070
500ŒÂ/—73
36,500
40,150
PEW-0309-01
3.2
9
0.15
20ŒÂ/—32
640
704
50ŒÂ/—16
800
880
500ŒÂ/—15
7,500
8,250
PEW-0309-03
3.2
9
0.3
20ŒÂ/—36
720
792
50ŒÂ/—18
900
990
500ŒÂ/—17
8,500
9,350
92
Œ‚ ‚è‚Ü‚·
F
1
2
3
4
5
ŽŸ
ÅŒã