[ƒqƒƒXƒMƒlƒbƒg]@ƒXƒy[ƒT[Eƒsƒ“ƒwƒbƒ_[EƒƒbƒVƒƒ[‚Ȃǂ̊î”ÂŽæ•t•”•i‚â‹@\•”•i‚̒ʔ̃TƒCƒg
‚¨”ƒ‚¢•¨ƒKƒCƒh
‚²—˜—p‚ɂ‚¢‚Ä
ƒz[ƒ€
ƒ}ƒCƒy[ƒW
”ƒ‚¢•¨‚©‚²
ƒ[ƒ‹ƒjƒ…[ƒX
ƒNƒCƒbƒNƒI[ƒ_[
‚¨–â‚¢‡‚킹
‚悤‚±‚» ƒQƒXƒg —l
Œ`ó‚©‚ç’T‚·
‹à‘®ƒXƒy[ƒT[
Ž÷މƒXƒy[ƒT[
ƒsƒ“ƒwƒbƒ_[
’[Žq—Þ
ƒCƒ“ƒT[ƒgƒiƒbƒg
ƒ[ƒŒƒbƒgƒcƒ}ƒ~
ƒ[ƒŒƒbƒgƒiƒbƒg
ƒVƒƒƒtƒg/‘SƒlƒW/‚΂˃|ƒXƒg
ƒƒbƒVƒƒ[
•½ƒƒbƒVƒƒ[iŽ÷މEƒZƒ‰ƒ~ƒbƒNƒXj
ƒWƒ…ƒ‰ƒRƒ“i”’j
ƒWƒ…ƒ‰ƒRƒ“i•j
PTFE
’áƒNƒŠ[ƒv
ƒiƒCƒƒ“i”’j
ƒiƒCƒƒ“i•j
ƒtƒ@ƒCƒo[iÔj
ƒtƒ@ƒCƒo[i”’j
ƒ|ƒŠƒXƒ‰ƒCƒ_[
“àŒa(`ƒ³3j
“àŒa(ƒ³3.1`ƒ³5j
“àŒa(ƒ³5.1`ƒ³7j
“àŒa(ƒ³7.1`ƒ³10j
“àŒa(ƒ³10.1`j
ƒ|ƒŠƒXƒ‰ƒCƒ_[(ƒJƒbƒg)
ƒŒƒj[
ƒŒƒj[i•j
ƒ|ƒŠƒJ[ƒ{ƒl[ƒg
ƒ|ƒŠƒvƒƒsƒŒƒ“
ƒx[ƒN
ƒs[ƒN
ƒVƒŠƒRƒ“
ƒJƒvƒgƒ“
PPS
ƒZƒ‰ƒ~ƒbƒNƒX
ƒKƒ‰ƒGƒ|
PVDF
ƒ‹ƒ~ƒ‰[i”¼“§–¾j
ƒ‹ƒ~ƒ‰[iÔj
ƒ‹ƒ~ƒ‰[iÂj
ƒ|ƒŠ‰–‰»ƒrƒjƒ‹(ŠDFj
ƒ|ƒŠ‰–‰»ƒrƒjƒ‹(“§–¾j
MCƒiƒCƒƒ“
ÕŒ‚‹zŽûƒiƒCƒƒ“ƒƒbƒVƒƒ[
ƒ|ƒŠƒGƒ`ƒŒƒ“ƒƒbƒVƒƒ[
•½ƒƒbƒVƒƒ[i‹à‘®j
ƒXƒvƒŠƒ“ƒOƒƒbƒVƒƒ[
Ž÷މƒZƒbƒgƒƒbƒVƒƒ[
ƒƒ[ƒbƒgƒƒbƒVƒƒ[
ƒSƒ€ƒƒbƒVƒƒ[
ƒSƒ€ƒZƒbƒgƒƒbƒVƒƒ[
ƒuƒbƒVƒ…
‚Ë‚¶
ƒ{ƒ‹ƒg
ƒiƒbƒg
ƒŠƒxƒbƒg
ÞŽ¿‚©‚ç’T‚·
‰©“º
ƒŠƒ““º
ƒXƒ`[ƒ‹
ƒXƒeƒ“ƒŒƒX
ƒAƒ‹ƒ~
‰”ƒŒƒX‰©“º
ƒ`ƒ^ƒ“
ƒWƒ…ƒ‰ƒRƒ“
PBT
PPS
PEEK
ƒiƒCƒƒ“
ƒŒƒj[
PTFE
ƒx[ƒN
ABS
ƒZƒ‰ƒ~ƒbƒNƒX
ƒKƒ‰ƒX
ƒKƒ‰ƒGƒ|
PCT
LCP
ƒGƒ‰ƒXƒgƒ}[
ƒVƒŠƒRƒ“
PC
ƒtƒ@ƒCƒo[
ƒ|ƒŠƒXƒ‰ƒCƒ_[
ƒ|ƒŠƒvƒƒsƒŒƒ“
ƒJƒvƒgƒ“
PVDF
ƒ‹ƒ~ƒ‰[
PFA
PVC
PFA
ƒSƒ€
ÕŒ‚‹zŽûƒiƒCƒƒ“
ƒ|ƒŠƒGƒ`ƒŒƒ“
‚»‚Ì‘¼
ƒz[ƒ€
>
ƒƒbƒVƒƒ[
>
•½ƒƒbƒVƒƒ[iŽ÷މEƒZƒ‰ƒ~ƒbƒNƒXj
>
ƒ|ƒŠƒXƒ‰ƒCƒ_[
>
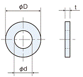
“àŒa(`ƒ³3j
ƒ|ƒŠƒXƒ‰ƒCƒ_[ƒƒbƒVƒƒ[^LL-0000-00
ÞŽ¿^ƒ|ƒŠƒXƒ‰ƒCƒ_[
F^•
UL‹KŠi^UL94-HBiÞ—¿j
RoHS2‘Ήž»•i
LL-5209-10ALL-6211-10ALL-6211-15ALL-8214-10ALL-8214-15ALL-1017-15ALL-1220-15‚͉E}ŽQÆ
•À‚בւ¦F
¤•iƒR[ƒh
¤•i–¼
””„“ú
‰¿Ši(ˆÀ‚¢‡)
‰¿Ši(‚‚¢‡)
””„“ú{¤•i–¼
36
Œ‚ ‚è‚Ü‚·
F
1
2
ŽŸ
ÅŒã
•i”Ô
d
D
t
“ü”/’P‰¿
(Å”²)
”Ì”„‰¿Ši
(Å”²)
”Ì”„‰¿Ši
(Åž)
”—Ê
LL-1703-01
1.7
3.2
0.13
20ŒÂ/—26
520
572
50ŒÂ/—13
650
715
500ŒÂ/—12
6,000
6,600
LL-1703-02
1.7
3.2
0.25
20ŒÂ/—26
520
572
50ŒÂ/—13
650
715
500ŒÂ/—12
6,000
6,600
LL-1703-03
1.7
3.2
0.3
20ŒÂ/—26
520
572
50ŒÂ/—13
650
715
500ŒÂ/—12
6,000
6,600
LL-1703-04
1.7
3.2
0.4
20ŒÂ/—26
520
572
50ŒÂ/—13
650
715
500ŒÂ/—12
6,000
6,600
LL-1703-05
1.7
3.2
0.5
20ŒÂ/—26
520
572
50ŒÂ/—13
650
715
500ŒÂ/—12
6,000
6,600
LL-1703-06
1.7
3.2
0.6
20ŒÂ/—26
520
572
50ŒÂ/—13
650
715
500ŒÂ/—12
6,000
6,600
LL-1703-07
1.7
3.2
0.7
20ŒÂ/—26
520
572
50ŒÂ/—13
650
715
500ŒÂ/—12
6,000
6,600
LL-1703-08
1.7
3.2
0.8
20ŒÂ/—26
520
572
50ŒÂ/—13
650
715
500ŒÂ/—12
6,000
6,600
LL-1703-10
1.7
3.2
1
20ŒÂ/—26
520
572
50ŒÂ/—13
650
715
500ŒÂ/—12
6,000
6,600
LL-2104-01
2.1
4
0.13
20ŒÂ/—26
520
572
50ŒÂ/—13
650
715
500ŒÂ/—12
6,000
6,600
LL-2104-02
2.1
4
0.25
20ŒÂ/—26
520
572
50ŒÂ/—13
650
715
500ŒÂ/—12
6,000
6,600
LL-2104-03
2.1
4
0.3
20ŒÂ/—26
520
572
50ŒÂ/—13
650
715
500ŒÂ/—12
6,000
6,600
LL-2104-04
2.1
4
0.4
20ŒÂ/—26
520
572
50ŒÂ/—13
650
715
500ŒÂ/—12
6,000
6,600
LL-2104-05
2.1
4
0.5
20ŒÂ/—26
520
572
50ŒÂ/—13
650
715
500ŒÂ/—12
6,000
6,600
LL-2104-06
2.1
4
0.6
20ŒÂ/—26
520
572
50ŒÂ/—13
650
715
500ŒÂ/—12
6,000
6,600
LL-2104-07
2.1
4
0.7
20ŒÂ/—26
520
572
50ŒÂ/—13
650
715
500ŒÂ/—12
6,000
6,600
LL-2104-08
2.1
4
0.8
20ŒÂ/—26
520
572
50ŒÂ/—13
650
715
500ŒÂ/—12
6,000
6,600
LL-2104-10
2.1
4
1
20ŒÂ/—26
520
572
50ŒÂ/—13
650
715
500ŒÂ/—12
6,000
6,600
LL-2604-01
2.6
4.7
0.13
20ŒÂ/—26
520
572
50ŒÂ/—13
650
715
500ŒÂ/—12
6,000
6,600
LL-2604-02
2.6
4.7
0.25
20ŒÂ/—26
520
572
50ŒÂ/—13
650
715
500ŒÂ/—12
6,000
6,600
36
Œ‚ ‚è‚Ü‚·
F
1
2
ŽŸ
ÅŒã