[ƒqƒƒXƒMƒlƒbƒg]@ƒXƒy[ƒT[Eƒsƒ“ƒwƒbƒ_[EƒƒbƒVƒƒ[‚Ȃǂ̊î”ÂŽæ•t•”•i‚â‹@\•”•i‚̒ʔ̃TƒCƒg
‚¨”ƒ‚¢•¨ƒKƒCƒh
‚²—˜—p‚ɂ‚¢‚Ä
ƒz[ƒ€
ƒ}ƒCƒy[ƒW
”ƒ‚¢•¨‚©‚²
ƒ[ƒ‹ƒjƒ…[ƒX
ƒNƒCƒbƒNƒI[ƒ_[
‚¨–â‚¢‡‚킹
‚悤‚±‚» ƒQƒXƒg —l
Œ`ó‚©‚ç’T‚·
‹à‘®ƒXƒy[ƒT[
Ž÷މƒXƒy[ƒT[
ƒsƒ“ƒwƒbƒ_[
’[Žq—Þ
ƒCƒ“ƒT[ƒgƒiƒbƒg
ƒ[ƒŒƒbƒgƒcƒ}ƒ~
ƒ[ƒŒƒbƒgƒiƒbƒg
ƒVƒƒƒtƒg/‘SƒlƒW/‚΂˃|ƒXƒg
ƒƒbƒVƒƒ[
•½ƒƒbƒVƒƒ[iŽ÷މEƒZƒ‰ƒ~ƒbƒNƒXj
ƒWƒ…ƒ‰ƒRƒ“i”’j
ƒWƒ…ƒ‰ƒRƒ“i•j
PTFE
“àŒa(`ƒ³3j
“àŒa(ƒ³3.1`ƒ³4j
“àŒa(ƒ³4.1`ƒ³5j
“àŒa(ƒ³5.1`ƒ³6j
“àŒa(ƒ³6.1`ƒ³8j
“àŒa(ƒ³8.1`ƒ³10j
“àŒa(ƒ³10.1`ƒ³12j
“àŒa(ƒ³12.1`ƒ³13j
“àŒa(ƒ³13.1`ƒ³17j
“àŒa(ƒ³17.1`ƒ³20j
“àŒa(ƒ³20.1`j
’áƒNƒŠ[ƒv
ƒiƒCƒƒ“i”’j
ƒiƒCƒƒ“i•j
ƒtƒ@ƒCƒo[iÔj
ƒtƒ@ƒCƒo[i”’j
ƒ|ƒŠƒXƒ‰ƒCƒ_[
ƒ|ƒŠƒXƒ‰ƒCƒ_[(ƒJƒbƒg)
ƒŒƒj[
ƒŒƒj[i•j
ƒ|ƒŠƒJ[ƒ{ƒl[ƒg
ƒ|ƒŠƒvƒƒsƒŒƒ“
ƒx[ƒN
ƒs[ƒN
ƒVƒŠƒRƒ“
ƒJƒvƒgƒ“
PPS
ƒZƒ‰ƒ~ƒbƒNƒX
ƒKƒ‰ƒGƒ|
PVDF
ƒ‹ƒ~ƒ‰[i”¼“§–¾j
ƒ‹ƒ~ƒ‰[iÔj
ƒ‹ƒ~ƒ‰[iÂj
ƒ|ƒŠ‰–‰»ƒrƒjƒ‹(ŠDFj
ƒ|ƒŠ‰–‰»ƒrƒjƒ‹(“§–¾j
MCƒiƒCƒƒ“
ÕŒ‚‹zŽûƒiƒCƒƒ“ƒƒbƒVƒƒ[
ƒ|ƒŠƒGƒ`ƒŒƒ“ƒƒbƒVƒƒ[
•½ƒƒbƒVƒƒ[i‹à‘®j
ƒXƒvƒŠƒ“ƒOƒƒbƒVƒƒ[
Ž÷މƒZƒbƒgƒƒbƒVƒƒ[
ƒƒ[ƒbƒgƒƒbƒVƒƒ[
ƒSƒ€ƒƒbƒVƒƒ[
ƒSƒ€ƒZƒbƒgƒƒbƒVƒƒ[
ƒuƒbƒVƒ…
‚Ë‚¶
ƒ{ƒ‹ƒg
ƒiƒbƒg
ƒŠƒxƒbƒg
ÞŽ¿‚©‚ç’T‚·
‰©“º
ƒŠƒ““º
ƒXƒ`[ƒ‹
ƒXƒeƒ“ƒŒƒX
ƒAƒ‹ƒ~
‰”ƒŒƒX‰©“º
ƒ`ƒ^ƒ“
ƒWƒ…ƒ‰ƒRƒ“
PBT
PPS
PEEK
ƒiƒCƒƒ“
ƒŒƒj[
PTFE
ƒx[ƒN
ABS
ƒZƒ‰ƒ~ƒbƒNƒX
ƒKƒ‰ƒX
ƒKƒ‰ƒGƒ|
PCT
LCP
ƒGƒ‰ƒXƒgƒ}[
ƒVƒŠƒRƒ“
PC
ƒtƒ@ƒCƒo[
ƒ|ƒŠƒXƒ‰ƒCƒ_[
ƒ|ƒŠƒvƒƒsƒŒƒ“
ƒJƒvƒgƒ“
PVDF
ƒ‹ƒ~ƒ‰[
PFA
PVC
PFA
ƒSƒ€
ÕŒ‚‹zŽûƒiƒCƒƒ“
ƒ|ƒŠƒGƒ`ƒŒƒ“
‚»‚Ì‘¼
ƒz[ƒ€
>
ƒƒbƒVƒƒ[
>
•½ƒƒbƒVƒƒ[iŽ÷މEƒZƒ‰ƒ~ƒbƒNƒXj
>
PTFE
>
“àŒa(ƒ³20.1`j
PTFEƒƒbƒVƒƒ[^TT-0000-00
ÞŽ¿^PTFE
F^”’F•s“§–¾
‘Ï”M‰·“x^˜A‘±240Ž•s”R«
UL‹KŠi^UL94V-0iÞ—¿j
RoHS2‘Ήž»•i
•À‚בւ¦F
¤•iƒR[ƒh
¤•i–¼
””„“ú
‰¿Ši(ˆÀ‚¢‡)
‰¿Ši(‚‚¢‡)
””„“ú{¤•i–¼
34
Œ‚ ‚è‚Ü‚·
F
1
2
ŽŸ
ÅŒã
•i”Ô
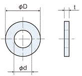
d
D
t
“ü”/’P‰¿
(Å”²)
”Ì”„‰¿Ši
(Å”²)
”Ì”„‰¿Ši
(Åž)
”—Ê
TT-2230-025
22
30
0.25
20ŒÂ/—62
1,240
1,364
50ŒÂ/—31
1,550
1,705
500ŒÂ/—30
15,000
16,500
TT-2230-035
22
30
0.35
20ŒÂ/—70
1,400
1,540
50ŒÂ/—35
1,750
1,925
500ŒÂ/—34
17,000
18,700
TT-2230-04
22
30
0.4
20ŒÂ/—74
1,480
1,628
50ŒÂ/—37
1,850
2,035
500ŒÂ/—36
18,000
19,800
TT-2230-05
22
30
0.5
20ŒÂ/—80
1,600
1,760
50ŒÂ/—40
2,000
2,200
500ŒÂ/—39
19,500
21,450
TT-2230-06
22
30
0.6
20ŒÂ/—94
1,880
2,068
50ŒÂ/—47
2,350
2,585
500ŒÂ/—46
23,000
25,300
TT-2230-07
22
30
0.7
20ŒÂ/—106
2,120
2,332
50ŒÂ/—53
2,650
2,915
500ŒÂ/—52
26,000
28,600
TT-2230-08
22
30
0.8
20ŒÂ/—112
2,240
2,464
50ŒÂ/—56
2,800
3,080
500ŒÂ/—55
27,500
30,250
TT-2230-09
22
30
0.9
20ŒÂ/—124
2,480
2,728
50ŒÂ/—62
3,100
3,410
500ŒÂ/—61
30,500
33,550
TT-2230-10
22
30
1
20ŒÂ/—150
3,000
3,300
50ŒÂ/—75
3,750
4,125
500ŒÂ/—74
37,000
40,700
TT-2230-16
22
30
1.6
20ŒÂ/—360
7,200
7,920
50ŒÂ/—180
9,000
9,900
500ŒÂ/—179
89,500
98,450
TT-2230-20
22
30
2
20ŒÂ/—380
7,600
8,360
50ŒÂ/—190
9,500
10,450
500ŒÂ/—189
94,500
103,950
TT-2230-25
22
30
2.5
20ŒÂ/—400
8,000
8,800
50ŒÂ/—200
10,000
11,000
500ŒÂ/—199
99,500
109,450
TT-2230-30
22
30
3
20ŒÂ/—420
8,400
9,240
50ŒÂ/—210
10,500
11,550
500ŒÂ/—209
104,500
114,950
TT-2230-35
22
30
3.5
20ŒÂ/—438
8,760
9,636
50ŒÂ/—219
10,950
12,045
500ŒÂ/—218
109,000
119,900
TT-2230-40
22
30
4
20ŒÂ/—452
9,040
9,944
50ŒÂ/—226
11,300
12,430
500ŒÂ/—225
112,500
123,750
TT-2230-45
22
30
4.5
20ŒÂ/—468
9,360
10,296
50ŒÂ/—234
11,700
12,870
500ŒÂ/—233
116,500
128,150
TT-2230-50
22
30
5
20ŒÂ/—480
9,600
10,560
50ŒÂ/—240
12,000
13,200
500ŒÂ/—239
119,500
131,450
TT-2532-025
25.3
32
0.25
20ŒÂ/—64
1,280
1,408
50ŒÂ/—32
1,600
1,760
500ŒÂ/—31
15,500
17,050
TT-2532-035
25.3
32
0.35
20ŒÂ/—74
1,480
1,628
50ŒÂ/—37
1,850
2,035
500ŒÂ/—36
18,000
19,800
TT-2532-04
25.3
32
0.4
20ŒÂ/—78
1,560
1,716
50ŒÂ/—39
1,950
2,145
500ŒÂ/—38
19,000
20,900
34
Œ‚ ‚è‚Ü‚·
F
1
2
ŽŸ
ÅŒã