
‰©“ºƒXƒy[ƒT[
iŠÛŒ^EŽqŠî”Â2’id‚˃nƒ“ƒ_Žæ•t—pj
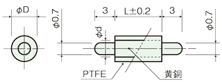
TRT(TR)-0700E
œTR–{‘Ì@ÞŽ¿^‰õ퉩“ºiC3604BDj
ƒJƒhƒ~ƒEƒ€ŠÜ—L—¦75ppm–¢–ž
ˆ—^L=5`10‚Í‹àƒtƒ‰ƒbƒVƒ…
L=12`20‚͋⃃bƒL
œPTFE ÞŽ¿^PTFEƒ`ƒ…[ƒu
F^”’F•s“§–¾
‘Ï”M^240Ž
UL‹KŠi^UL94V-0iÞ—¿j
RoHS2‘Ήž»•i
iŠÛŒ^EŽqŠî”Â2’id‚˃nƒ“ƒ_Žæ•t—pj
TRT(TR)-0700E
œTR–{‘Ì@ÞŽ¿^‰õ퉩“ºiC3604BDj
ƒJƒhƒ~ƒEƒ€ŠÜ—L—¦75ppm–¢–ž
ˆ—^L=5`10‚Í‹àƒtƒ‰ƒbƒVƒ…
L=12`20‚͋⃃bƒL
œPTFE ÞŽ¿^PTFEƒ`ƒ…[ƒu
F^”’F•s“§–¾
‘Ï”M^240Ž
UL‹KŠi^UL94V-0iÞ—¿j
RoHS2‘Ήž»•i

TRTEEPTFE•t@¡–@FL‚ÆD
TREEPTFE‚È‚µ@¡–@FL‚Æd
TREEPTFE‚È‚µ@¡–@FL‚Æd



